一个行程开关接线图

行程开关怎么接线
图片尺寸655x500
三相电动机行程开关限位自动控制电路图
图片尺寸720x540
行程开关接线图. 向左转 向右转
图片尺寸752x581
行程开关控制步进电机位置限制接线图将行程开关的常闭触点串联在控制
图片尺寸920x1632
行程开关怎么接线
图片尺寸600x450
行程开关到位断开,再按启动开关,电机又要启动,该用什么配件,怎样接
图片尺寸720x540
维修电工必知必懂行程开关作用原理及实物接线图
图片尺寸1442x1105
简易行程开关接线图
图片尺寸1264x733
个行程开关加1个时间继电器加1个接触器,加电机画出线路图,接线原理图
图片尺寸736x552
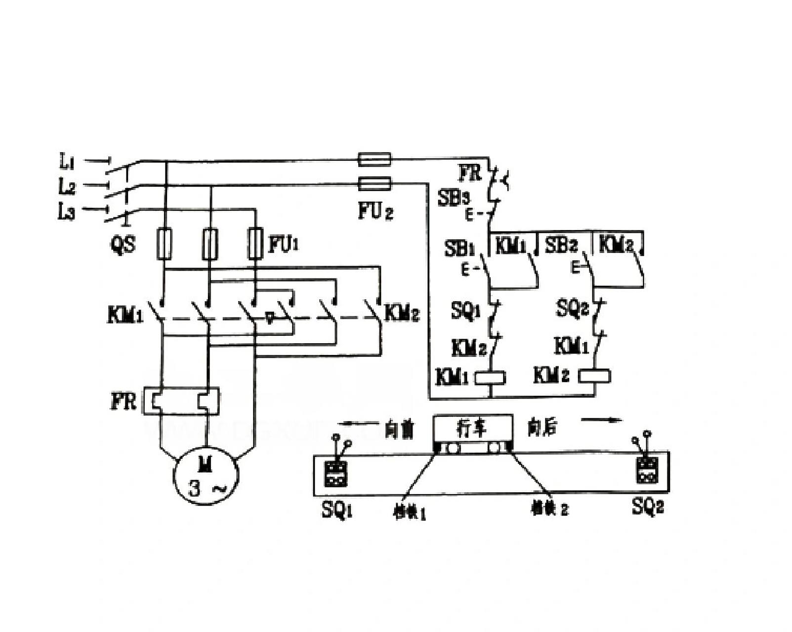
右下角是行车运动示意图,行车的两头终点处各安装一个行程开关sq1和sq
图片尺寸1603x1280
220v正反转电机加行程开关怎么接线路图 23 2011-03-18 380v正反转
图片尺寸874x604
电动机往返行程控制
图片尺寸1080x810
行程开关作用原理及实物接线图
图片尺寸747x565
液压机行程开关限位接线图有实物图吗
图片尺寸536x526
改个下行程开关,如何接线
图片尺寸717x517
工作台自动往返行程控制电路
图片尺寸1124x936
三相电机行程开关与交流接触器接线图用行程开关控制电机
图片尺寸570x537
行程开关控制电机正反转电路图
图片尺寸652x661
还有就是用行程开关控制电机启动停止,原理
图片尺寸540x960
欧姆龙限位开关d4v-8108sz-n行程控制器
图片尺寸749x610