丁怀臣

以下6人继续通缉!
图片尺寸963x1000
国家文物局副局长来解答
图片尺寸868x432
汪清县政协到春阳镇开展共商身边事协商议事活动
图片尺寸550x420
我县召开革命老区宣传工作座谈会
图片尺寸1080x608
吉林省检察院党组书记检察长尹伊君到延边州安图县检察院调研
图片尺寸660x440
傲雪红梅笑迎春
图片尺寸600x417
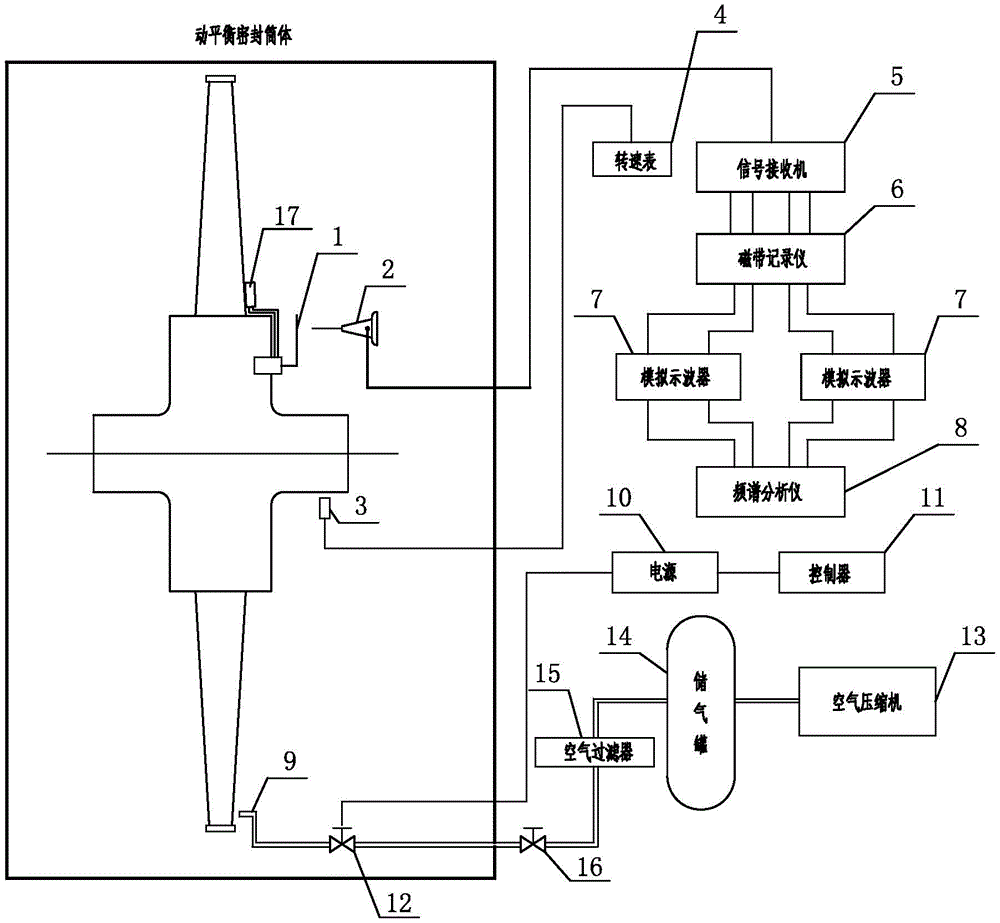
cn209707051u_一种汽轮机动叶片固有频率的测量装置有效
图片尺寸1000x923
村民找牛时发现6株野生灵芝(图)
图片尺寸550x367
image
图片尺寸1000x925
已找到"李央"的专利检索结果70个
图片尺寸400x483