三一215多路阀详细图

多路阀结构原理
图片尺寸1080x810
图解挖掘机多路阀原理
图片尺寸920x636
cn101338829a_多路液压换向阀有效
图片尺寸2797x1384
高级培训主控阀电磁阀实体图讲解管路对应工作原理三一
图片尺寸1280x960
6吨挖掘机多路阀
图片尺寸3307x2339
图解挖掘机多路阀原理
图片尺寸920x636
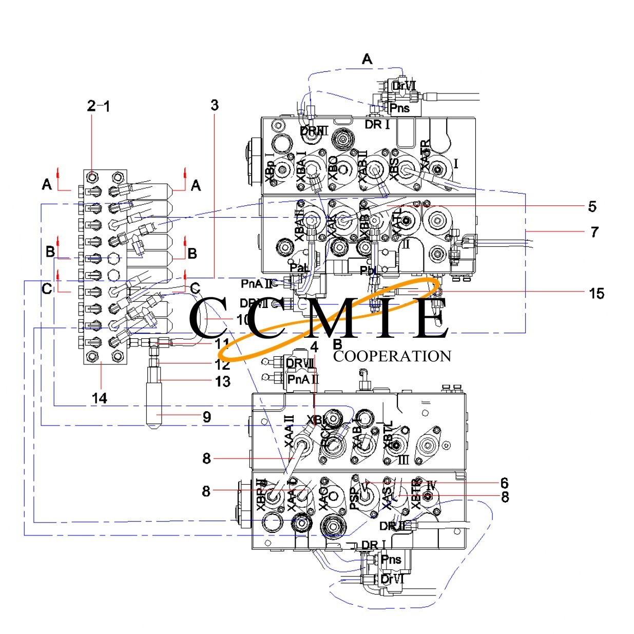
三一215c挖掘机电磁阀 主阀 主泵管路滤油器组件驾驶室等配件
图片尺寸1235x1235
多路阀多路换向阀液压多路阀液压多路换向阀zl系列多路阀
图片尺寸750x509
多路阀结构原理
图片尺寸1080x810
液压主泵多路阀拆装电磁阀再生阀工作原理液压图纸沃尔沃液压系统总结
图片尺寸1280x906
带过滤结构装载机多路阀用可调压新型溢流阀
图片尺寸1670x619
多路阀多路换向阀液压多路阀液压多路换向阀zl系列多路阀
图片尺寸750x368
多路换向阀
图片尺寸2780x1460
zs-l10e-t/y,zs-l10e-t/0,zs-l10e-t/a多路换向阀
图片尺寸726x1170
三一液压系统,控制阀分解拆装,部件讲解,原理图纸等等
图片尺寸1280x960
cn209340252u_一种整体式液压多路换向阀有效
图片尺寸1000x714
dl-l20f系列液压多路阀
图片尺寸591x765
力士乐m4一15多路阀原理图
图片尺寸876x607
cn208268471u_分流气控多路阀有效
图片尺寸1557x1507
cn1295440c_装载机用整体式手动多路换向阀失效
图片尺寸1920x1530