三位五通液压阀原理图

三位五通中泄阀动作原理
图片尺寸640x518
三位五通电磁阀中封,中泄,中压你都了解吗?
图片尺寸636x559
k2b三位五通阀的工作原理
图片尺寸332x332
三位五通换向阀符号
图片尺寸900x355
三位五通阀控制双作用气缸换向回路-方向控制回路-无锡市华通气动制造
图片尺寸794x289
1,三位五通电磁阀的工作原理:三位五通电磁阀的三个位置是指电磁阀的
图片尺寸557x321
smc三位五通电磁阀图解,日本smc公司
图片尺寸657x437
三位五通换向阀
图片尺寸548x428
三位五通换向阀
图片尺寸640x428
怎么用三位五通电磁阀亮个磁性开关继电器控制气缸再a,b两点做往返
图片尺寸1654x2339
快看三位五通电磁阀中泄的工作原理,中压锁住气缸气压,而中泄可以.
图片尺寸960x540
三位五通电磁阀的三位指什么?五通又代表什么?
图片尺寸1228x768
三通阀三通阀,原理,控制阀,出口,控制480万注册会员,工作日均10万访客
图片尺寸831x571
三通阀原理大全_三通阀原理图集分享
图片尺寸640x480
直通双座阀六,控制原理1.串级均匀控制2.氮封分程控制3.锅炉控制4.
图片尺寸522x329
我想请问一下,什么是电磁阀三位五通.中封,中压,中泄又是什么
图片尺寸683x384
smc电磁阀 sy电磁阀结构原理-三位五通阀
图片尺寸640x299
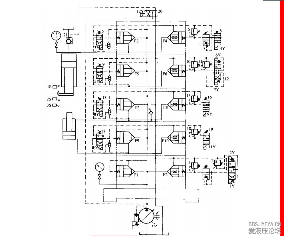
图9-6 液压系统图1—双联叶片泵;2—三位五通电液阀;3—行程阀;4
图片尺寸1308x1180
5t液压机插装原理图
图片尺寸995x829
阀门结构原理动画速看
图片尺寸639x395