三层楼房条形基础规格

整个条形基础做的很结实,如果你也想盖房,很有借鉴意义.
图片尺寸640x640
分享条形基础大放脚资料下载
图片尺寸634x718
钢筋混凝土条形基础详图
图片尺寸760x465
三层条形基础砌体结构别墅结构施工图
图片尺寸610x432
剪力墙下条形基础
图片尺寸451x558![[分享]砌体结构办公资料下载](https://imgs.wantubizhi.com/img/735A5D1F980B52A636CC46F12F2D1A7383B89F05DB840EA9D5CCE16FD7297F25746C97E77DF98E5ABE81F870B0CEF4ECF12ABD50AB224DB91A9EA1C15599822070017A7D265DA27E267CD8561BAAC38681B5B9A5E760191187FF34CA93D7A2D9)
[分享]砌体结构办公资料下载
图片尺寸586x453
建筑结构 地基基础 请教柱下条形基础配筋问题 有一栋三层的办公楼
图片尺寸640x395
这个大放脚是三层吗 然后折加高度是多少啊亲们
图片尺寸444x447
砖混结构住宅楼结构施工图(三层 条形基础)
图片尺寸535x560
自建房三层,条形基础,下面是一米宽钢筋网,钢筋14的,上面是500梁,8根
图片尺寸780x1040
图12,条形基础示意
图片尺寸640x480
农村自建楼房,基础是条形基础,80cm宽,混泥土厚30cm,钢筋是12的,横筋
图片尺寸475x475
05sg811:条形基础
图片尺寸1000x716![[施工图]砖混结构别墅结构施工图(三层条形基础)](https://imgs.wantubizhi.com/img/A1A61BAA66193547F3A6DD7D8EE527E9A5DC22B7A02F38458564924DF404D0458694BF00BE4E24B78F510E4C0C477069FD5DED997708C0EAD8FB3B161CC382E01BF37A0DF0C84E1B9B77F4600ECAC35C33457D76084F36D6E4E28A0F6825CD8D)
[施工图]砖混结构别墅结构施工图(三层条形基础)
图片尺寸560x526
砖混结构别墅结构施工图(三层 条形基础)
图片尺寸820x581
某三层框架结构建筑条形基础图
图片尺寸820x395
各位大侠,帮我看看这样的基础行吗?建三层半楼房.
图片尺寸675x1200![[分享]砖条形基础图集资料免费下载](https://imgs.wantubizhi.com/img/735A5D1F980B52A636CC46F12F2D1A73EA8635B1849F02A34DF5923948CDE8F14CBD9DA6230872DA937E597836D32A999FBEB135CAC37801491A9D66CF2119A6FB143E14BFB4022145A0F78EA8F0BF678F56C80A9379DC7C10EDFA524C464C0C)
[分享]砖条形基础图集资料免费下载
图片尺寸560x451
请问条形基础穿过砖柱其中重合的混凝土和钢筋的量怎么求
图片尺寸970x623
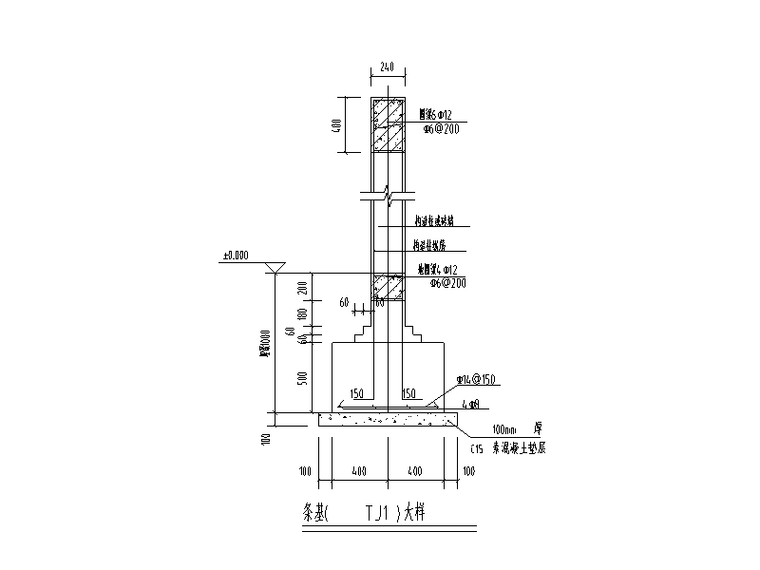
条形基础大样图
图片尺寸760x570