三星逻辑板维修图解

【分享】三星galaxy s10及s10e拆解
图片尺寸650x488
三星液晶彩电bn44-00155a电源板维修
图片尺寸2541x2432
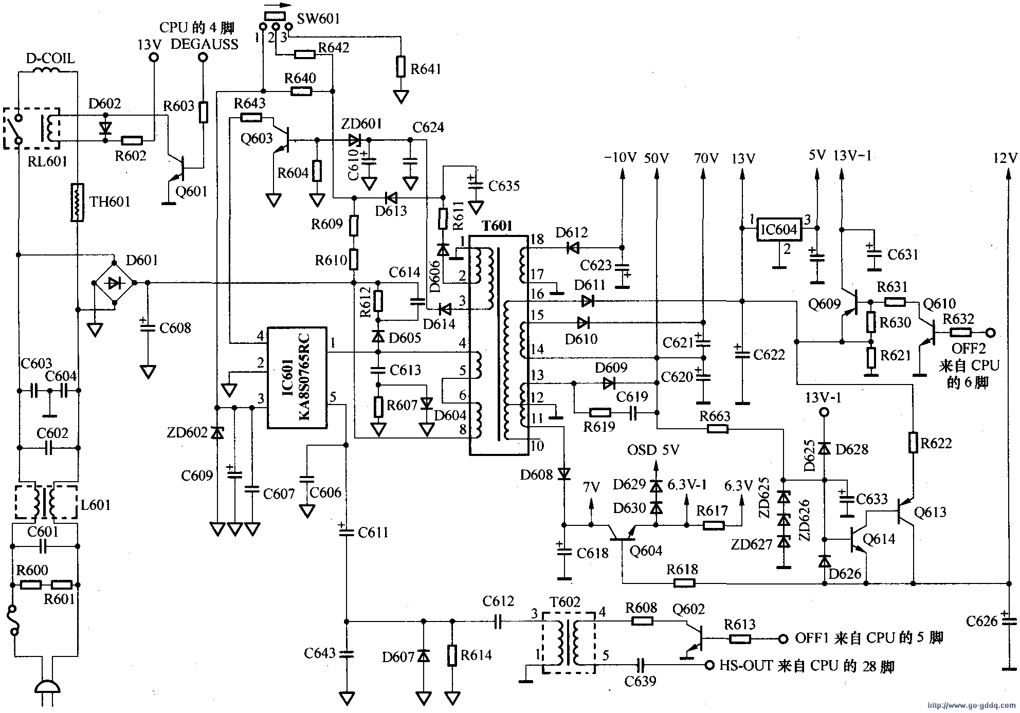
samsung ck-4656型彩色显示器的电源电路图
图片尺寸2450x1010
三星v3等离子显示屏电源电路板电路原理图
图片尺寸1063x643
双卡版本大不同三星galaxynote2拆解
图片尺寸1440x900
三星显示器753dfx原理图
图片尺寸1984x1387
三星la32s81b液晶彩电三无故障维修
图片尺寸2843x1771
三星液晶彩电bn4400369a电源背光灯板维修
图片尺寸2709x3832
ifixit拆解三星note105g版高通芯片引关注
图片尺寸728x546
三星液晶彩电bn44 - 00260 a电源 背光灯板维修
图片尺寸2549x3456
智能手机维修基本技能
图片尺寸993x1370
三星smv-1200 洗衣机电脑板电路图
图片尺寸2221x1535
三星t500/t508手机维修实物图(一)
图片尺寸1300x890
三星电视机cs-7277mrx电路原理图
图片尺寸4737x731
三星sgh2400型手机整机电路原理图
图片尺寸940x642
三星液晶电源bn44-00198a
图片尺寸1263x887
三星bn44-00341a电源板关键故障点维修图解
图片尺寸1350x1013
三星电视机cs-7277mrx电路原理图
图片尺寸4737x711
三星液晶电视ua55ju5900jxxz灰屏通病维修过程
图片尺寸800x571
三星galaxys8smg950f电路原理图逻辑框图位置图
图片尺寸600x385