三端稳压管电路图

7800系列三端固定输出正稳压器电路
图片尺寸899x536
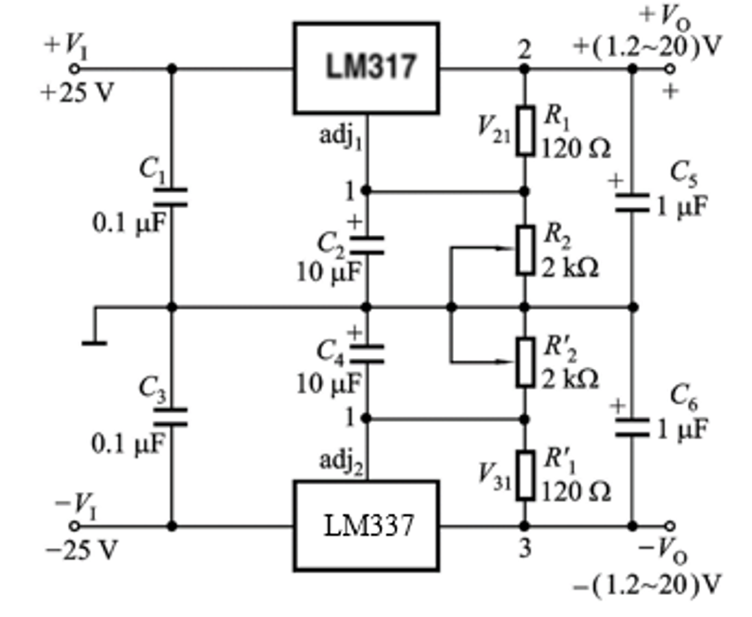
三端线性稳压器工作原理与典型应用电路分析78xx与lm317
图片尺寸1770x576
三端稳压式电源电路
图片尺寸1011x403
可使用可调式三端稳压器lm317,做成如下电路,调整电位器获得4.5v.
图片尺寸750x484
如何绘制三端稳压电源原理图-电子电路图,电子技术资料网站
图片尺寸853x442
三端固定输出正稳压器典型应用电路图
图片尺寸390x327
关于三端稳压器
图片尺寸890x474
三端稳压管的使用方法讲解,轻松实现5v12v17v电源设计
图片尺寸1169x585
由一支三极管,一个稳压管,一支电阻组成的简易三端稳压电路如下图
图片尺寸427x272
三端线性稳压器工作原理与典型应用电路分析78xx与lm317
图片尺寸1451x647
三端稳压源7805的电路图
图片尺寸2000x2000
稳压三极管(三极管稳压电路的原理与分析)
图片尺寸1131x642
三端线性稳压器工作原理与典型应用电路分析78xx与lm317
图片尺寸1095x898
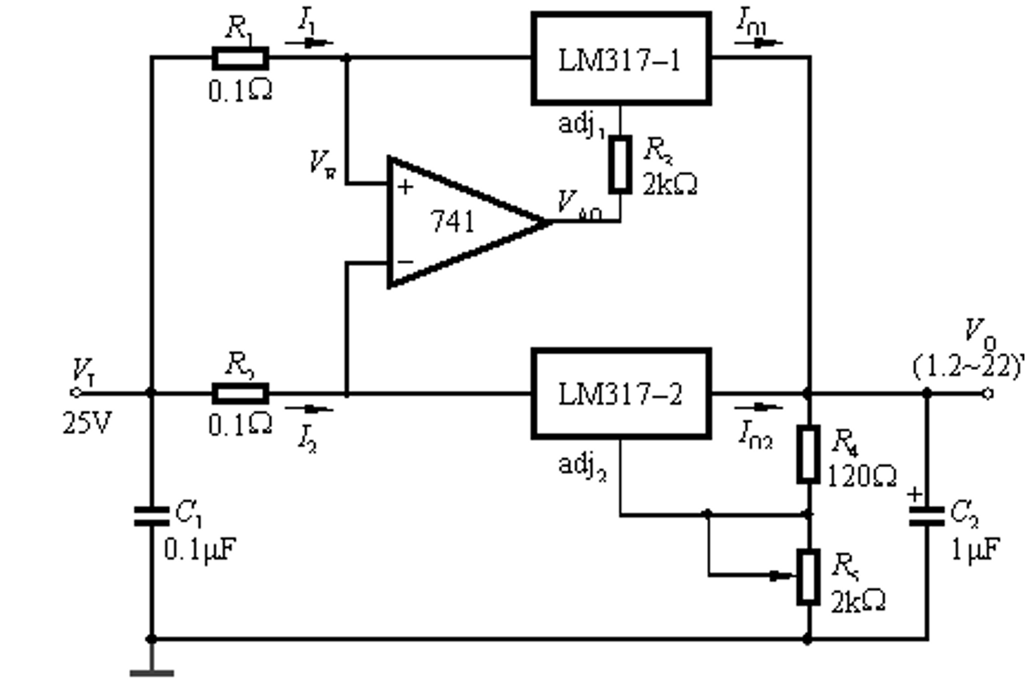
69 〓晶体管与集成〓 69 78系列三端稳压器的级联运用 这个电路
图片尺寸1063x747
5-5v的电压是电源电压,那电源使用三端稳压器lm7805就可以
图片尺寸450x385
la7806三端稳压三极管如何使用
图片尺寸1421x1040
三端线性稳压器工作原理与典型应用电路分析78xx与lm317
图片尺寸1405x794
三端线性稳压器工作原理与典型应用电路分析78xx与lm317
图片尺寸1470x978
三端稳压管怎样可以稳压输出14v?还有如何提高输出电流啊?
图片尺寸438x600
三端可调式稳压器电路原理图
图片尺寸370x368