三线电动后视镜接线图

14,电动后视镜电路
图片尺寸1619x1012
丰田卡罗拉_电动后视镜电路
图片尺寸648x994
倒车入库后视镜图解|国内驾照信息_接线图分享
图片尺寸700x359
如图所示为别克世纪轿车电动后视镜控制电路图,请根据电路图完成工作
图片尺寸540x960
别克-世纪电动后视镜电路图
图片尺寸650x473
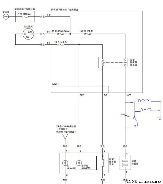
下面是后视倒车接线图
图片尺寸622x701
后视镜倒车影像插头线定义有知道的吗
图片尺寸619x750
《全新朗逸车可折叠后视镜控制电路图解析》2012-11-5
图片尺寸2890x944
飞度后视镜加热接线解惑(更新方案3)
图片尺寸631x475
电动三轮车倒车线里有2黄1红1黑1绿5条小线,怎么接黑,红两条大线?
图片尺寸723x524
飞度后视镜加热接线解惑(更新方案3)
图片尺寸665x750
我折腾宝马防眩目后视镜(新接线位,不破线,倒档关闭)
图片尺寸800x524
新a3 倒车雷达 倒车后视 问题: 一连接车载电源,立马倒车后视!
图片尺寸400x314
马自达953000gt电动后视镜电路图
图片尺寸1000x1253
你好,安装从拆卸大灯后有很多步骤,很难说得清楚,提供一下接线图,希望
图片尺寸752x557
马自达95galant电动后视镜电路图
图片尺寸1149x1413
95年凌志es300电动后视镜电路图
图片尺寸1279x926
马自达95taurus电动后视镜电路图
图片尺寸1215x850
电动窗电动后视镜
图片尺寸700x467
96年凌志es300电动后视镜电路图
图片尺寸1265x898