三菱电梯plc控制原理图

基于三菱plc控制的五层电梯设计
图片尺寸1024x853
电梯plc原理图(四张图).zip_知学网
图片尺寸1200x800
三菱lehy3电梯安全回路详解
图片尺寸1215x860
三菱legy电梯电气原理图
图片尺寸992x1403
三菱星三角降压启动梯形图
图片尺寸4039x2599
三菱自动扶梯控制电路
图片尺寸1497x1215
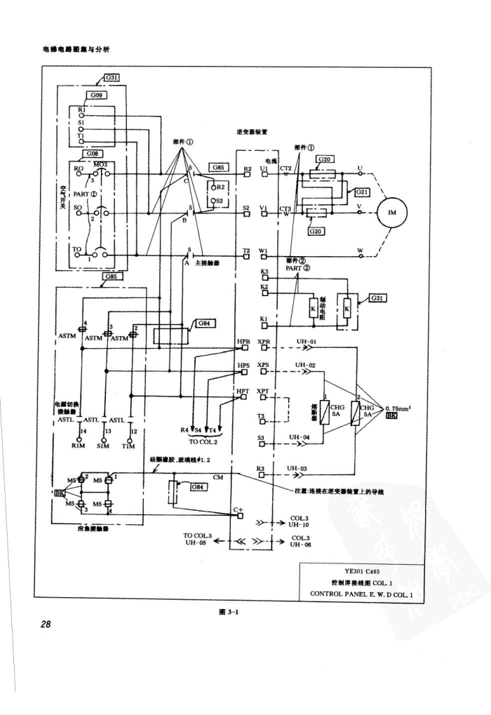
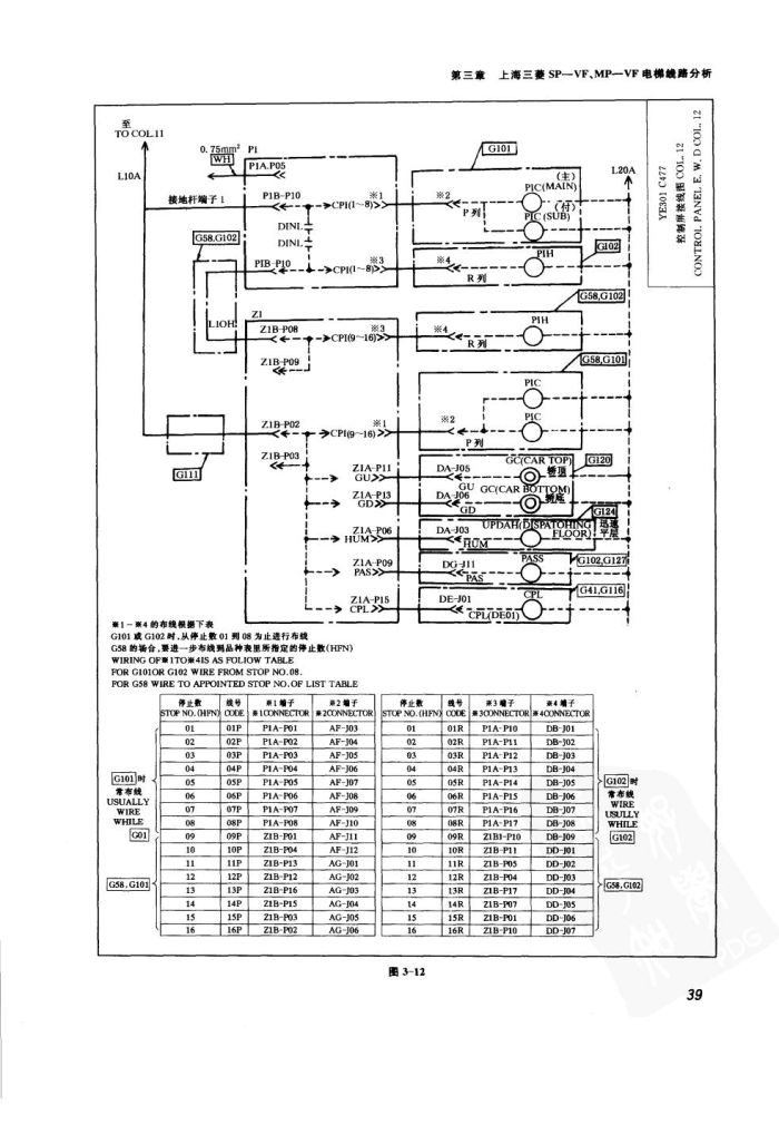
三菱spvf电梯线路分析
图片尺寸700x1019
x5系列plc在电梯控制系统中的应用
图片尺寸561x426
三菱legy电梯电气原理图
图片尺寸992x1403
三菱电梯sg-vfa电气原理图
图片尺寸2132x1507
三菱spvf电梯线路分析
图片尺寸700x1019
plc电梯梯形图
图片尺寸4095x3036
基于三菱plc的电梯控制系统设计ppt
图片尺寸1080x810
上海三菱gps-Ⅲl/m电梯抱闸电路分析
图片尺寸941x1328
求助三菱写星三角降压启动梯形图
图片尺寸720x540
三菱自动扶梯安全回路电路
图片尺寸1653x1442
三菱自动扶梯主电路
图片尺寸1360x937
六层电梯plc控制系统设计
图片尺寸1200x800
解决方案 一个实际plc电梯控制系统方案 输入单元为plc的i/o接口
图片尺寸735x522
三菱legy电梯电气原理图
图片尺寸992x1403