三菱q系列plc接线图

三菱q系列plc接线图
图片尺寸781x493
三菱plc接线图问题
图片尺寸890x592
第1页 你可能喜欢 plc维修 plc精品课程 韩语日常用语 三菱q系列plc
图片尺寸350x1144
三菱plc接线图例.doc 23页
图片尺寸793x1120
三菱plc输入输出接线图
图片尺寸572x636
基于三菱plc室内智能照明设计
图片尺寸830x654
3,plc控制电机启停,新建三菱plc程序
图片尺寸598x418
谁能发一个三菱plc的外部接线图给我?
图片尺寸844x503
三菱q系列32点输入模块dc24v 4ma - 三菱工控自动化产品网:三菱plc
图片尺寸787x432
三菱q系列plc接线图
图片尺寸713x449
三菱q系列plc的io分配
图片尺寸675x819
完整版三菱plc接线图例
图片尺寸920x1301
plc接线图实物图详解
图片尺寸582x314
三菱q系列64点输出模块 晶体管漏型 - 三菱工控自动化产品网:三菱plc
图片尺寸713x346
三菱plc 与伺服器 接线图 三菱3u- plc与伺服mr-j3-40a接线和参数设置
图片尺寸1026x594
三菱plc接线图_三菱plc的接线方法
图片尺寸316x513
335b三菱接线原理图
图片尺寸1117x2032
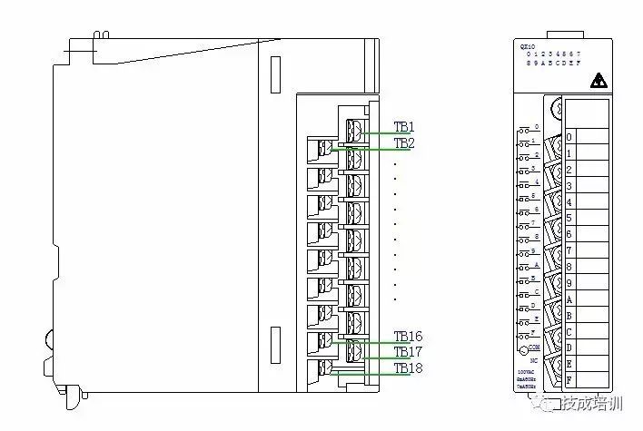
三菱q系列交流输入模块接线
图片尺寸708x475
三菱plc模拟量,2ad和2da接线及存储区定义分配
图片尺寸640x480
三菱fx3u与非差分型步进驱动器的接线
图片尺寸640x379