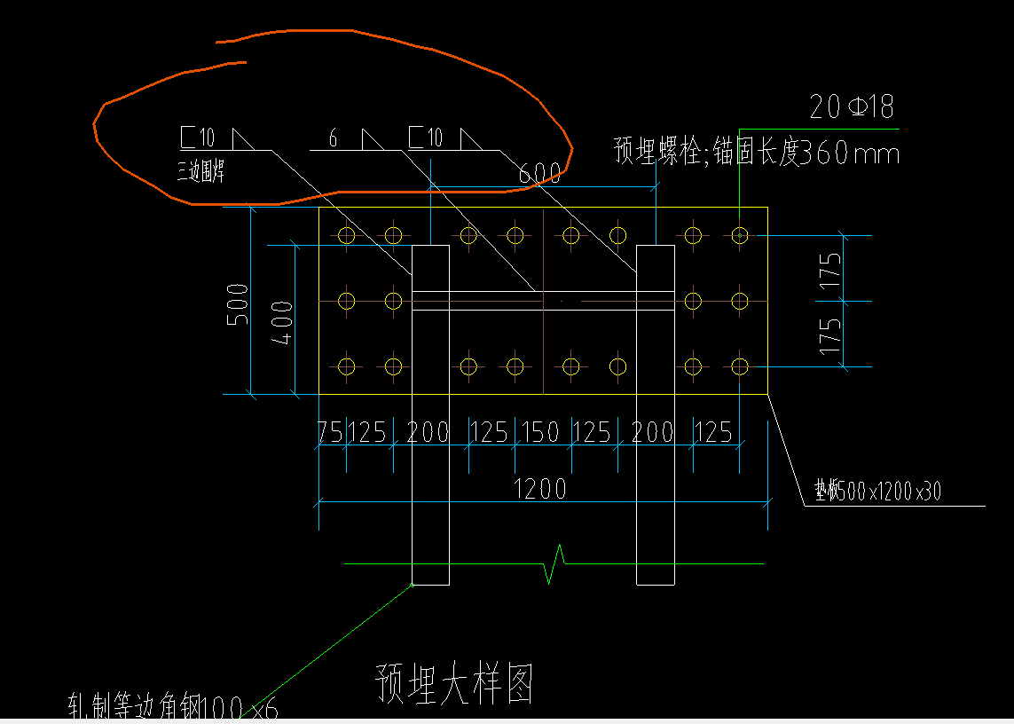
三面围焊

钢结构工程角焊缝的构造要求有哪些?
图片尺寸560x240
罐区接地三面满焊
图片尺寸2000x2667
泰安岱岳区泰安南开发区急招二保焊工20人,会焊多层多道焊八小
图片尺寸1500x2000
什么叫三面焊接 这个图什么意思 焊哪三个面?
图片尺寸432x226
焊接工艺问答(强度及结构) - jqlei@126的日志 - 网易博客
图片尺寸638x634
图,已知角钢所受静态轴向力n=900kn,拟采用三面围 焊,试设计该焊接
图片尺寸1080x810
三级焊缝检测要求!
图片尺寸640x408
一级建筑师考试建筑结构辅导讲义:钢结构
图片尺寸574x206
如图所示双角钢2l125x8采用三面围焊和节点板连接求熊承受的最大拉力n
图片尺寸774x313
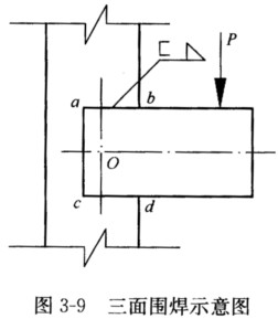
如图3-9所示的三面围焊缝,o点为围焊缝形心.
图片尺寸252x289
三边围焊是什么意思
图片尺寸1143x816
焊接支架
图片尺寸544x411
机器人焊接技术在钢桥制造中的应用如何了
图片尺寸500x374
钢桁架中角钢腹杆与节点板的连接焊缝一般采用两面侧焊或三面围焊
图片尺寸640x244
第三章 钢结构的连接 角焊缝设计.ppt
图片尺寸1080x810
钢材q235af,手工焊, 焊条e43型. 2 160×100×1
图片尺寸1080x810
装配式轻型钢管框架轻墙共同工作性能
图片尺寸700x448
三面围焊 下载附件
图片尺寸631x474
元晟科技乐东黎族自治县角铁法兰自动焊一体机
图片尺寸700x700
泥之昕光伏支架连接件 埋件三面围焊 热镀锌檩托 75*50大量现货
图片尺寸800x800