上部

佛陀的足迹 (上部)
图片尺寸1198x1796
兄弟(上部).
图片尺寸540x800
佛陀的足迹 (上部)
图片尺寸1023x683
城市崛起与城市之魂(上部)
图片尺寸1200x859
上部系带上衣
图片尺寸2333x3500
这上部钢筋代表什么意思怎么设置
图片尺寸558x297
上部
图片尺寸861x659
楼梯上部筋拉通怎么设置
图片尺寸640x480
这个人防人框门上部怎么画啊
图片尺寸362x579
《虾蛋环游记》上部
图片尺寸340x453
求问这个悬挑梁的上部钢筋是什么
图片尺寸960x389
上部皮桑图片
图片尺寸456x300
上部
图片尺寸765x551
《尽欢》上部
图片尺寸960x960
商铺上部有空调板如图该部分投影下部商铺面积应计算建筑面积吗
图片尺寸1143x794
上部轴承 upper bearing (pkg of 2)
图片尺寸600x600
二阶基础上部有配筋么
图片尺寸567x448
想问各位师父这个上铁指的上部钢筋那么输入的时候左支座钢筋跨中右
图片尺寸850x377
上部照明
图片尺寸1200x798
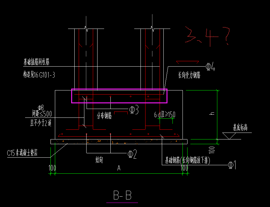
请问红色圈圈的表示的是上部钢筋左中右支座的吗
图片尺寸260x623