丝印5aa电源芯片电路图

所有分类 工程科技 电子/电路 sm7028b 12v1a小家电电源管理芯片方案
图片尺寸735x431
48v转12v电源芯片48v转15v电源芯片电路图
图片尺寸1407x766
夏华ts2580电源芯片爆炸,己经看不见型号了,请问谁有此机的电源电路图
图片尺寸434x397
图4-7芯片外接器件说明图 3,芯片应用电路 厂家提供芯片应用电路如图4
图片尺寸1043x618
7脚电源芯片电路图,6脚电源芯片273电路图-图片大观-奇异网
图片尺寸1230x596
72v转5v,12v,15v电源芯片电路图设计
图片尺寸896x316
110v 120v 150v 180v 200v电源降压芯片
图片尺寸1224x600
所有分类 工程科技 电子/电路 12v600ma跑步机电源方案viper12a芯片
图片尺寸683x385
六脚贴片开关电源驱动标印aajcd是什么芯片
图片尺寸811x688
8脚电源管理芯片电路图
图片尺寸775x380
求sc6105芯片,构成电源电路图
图片尺寸1789x1179
72v转5v,12v,15v电源芯片电路图设计
图片尺寸842x501
电源6脚ic芯片代换经验资料
图片尺寸800x365
2v转3v的电源芯片电路图24v转3v电路
图片尺寸693x336
48v转12v电源芯片电源芯片电路图
图片尺寸480x300
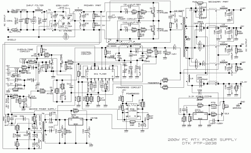
开关电源电路原理(附原理图)
图片尺寸499x305
我想问一下 已经有了一个直流电源: 5v,但是我电路中有一个芯片需要一
图片尺寸537x295
芯片封装各脚定义图中哪个引脚说明输入是哪个脚
图片尺寸852x387
六脚贴片电源芯片的电路图6款简单的电源线路图分享
图片尺寸720x446
(转帖) 戴尔se198wfpf e198wfpf电源电路电源芯片sg6841维修案例与
图片尺寸900x476