两箱分模造型过程

图2a 齿轮坯整模两箱造型
图片尺寸583x322
优化后的方案结合前2副模具结构的优缺点,分别从模具的定位方式,溢料
图片尺寸1080x799
ug 高难度模具设计全过程视频教程 因目前市场缺少高难度的分模视频
图片尺寸817x544
前期3d模具分模案例图片
图片尺寸640x852
11 分模造型
图片尺寸480x270
【转帖】分模练习-这是个不太难也不是很容易的东东
图片尺寸895x615
且具有优异的一体成型性能,可以制造出无分模线的节温器
图片尺寸4624x3472
苏州白杨湾catia汽车内饰设计培训课top5排名名单一览苏州白杨湾模具
图片尺寸611x363
模具设计分模
图片尺寸640x420
且具有优异的一体成型性能,可以制造出无分模线的节温器
图片尺寸4624x3472
ug分模
图片尺寸300x300
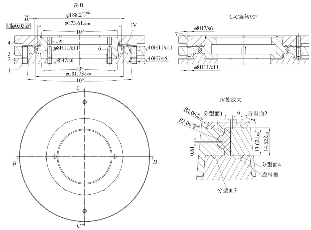
模具由下模板1,中模板2,上模板3,型芯4组成,模具采用锥面定位,分型面
图片尺寸1080x1052
分模就业培训硬分模就业培训片体与实体相结合分模就业培训高级曲面分
图片尺寸593x292
预发泡>发泡成型>浸涂料>烘干>造型>浇注>落砂>清理660_395
图片尺寸660x395
3,分模:分模是grg材料模具的制作工艺和现场的安装条件为依据对3维
图片尺寸900x500
预发泡>发泡成型>浸涂料>烘干>造型>浇注>落砂>清理660_395
图片尺寸660x395
造型→分模→模具设计→moldfiow模流分析→模具二次修改→出加工图
图片尺寸580x450
匠心传承 技兴宜都——宜昌技能大师秦学森
图片尺寸1028x715
直接挤压铸造:喷涂料,浇合金,合模,加压,保压,泄压,分模,毛坯脱模
图片尺寸660x271
ugnx模具分型面训练案例洗衣机控制面板多腔分模造型
图片尺寸763x508