两级放大电路原理图

两级阻容耦合放大电路如图所示.
图片尺寸589x398
两级放大电路原理图及其封装
图片尺寸784x484
两级阻容耦合放大电路如图所示,设三极管v
图片尺寸439x247
放大电路的工作原理
图片尺寸1399x987
请问我这个两级放大电路画的正确吗?
图片尺寸944x416
个具有自举功能的甲乙类双电源互补对称功率放大电路,电路原理图见图
图片尺寸396x355
两级放大电路实验报告
图片尺寸848x472
无忧文档 所有分类 晶体管两级放大器 晶体管两级放大器 电路图
图片尺寸835x361
实验五 两级放大电路
图片尺寸677x448
图9.18所示为一个两级放大电路,已知晶体管的β1=40,β2=50,.
图片尺寸981x481
实验两级放大电路_第2页
图片尺寸1500x1125
两级差动放大电路
图片尺寸1677x877
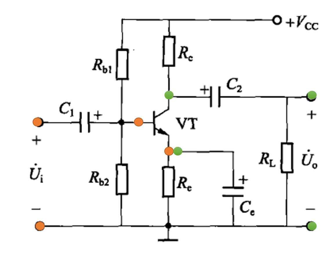
在下图所示两级阻容耦合放大电路中
图片尺寸424x246![图示电路是一个两级放大器. [图].](https://imgs.wantubizhi.com/img/A1A61BAA66193547F3A6DD7D8EE527E9856E31F459EC1FCA302C69FD39DF5D0D584C10754EA0CC0783A09DB4F7086A53B58E2B1938B5469B039F2627AB7013DE9E740EA06B9C86BC30D72A735E530B1BB40859489A57AA29645F3D1DA0259C63)
图示电路是一个两级放大器. [图].
图片尺寸890x560
湖山bk2x100jmk ii放大器电路.
图片尺寸2432x1720
求两级阻容耦合放大电路的输入电阻和输出电阻(问题一和问题二回答一
图片尺寸507x371
两级直接耦合放大电路
图片尺寸439x258
实验三 两级放大电路
图片尺寸598x447
双极型晶体管及其基本放大电路
图片尺寸1159x887
lm324构成的两级放大电路如何计算放大倍数
图片尺寸630x380