中央空调外机接线图

空调外机连接管怎么拆_接线图分享
图片尺寸1840x3264
商用中央空调3台外机如何并联一个系统最好有图片谢谢
图片尺寸1040x780
长虹空调室外机接线图
图片尺寸646x407
定频空调外机内部是没有电路板的,外机接线柱通常是4个,压缩机,四通阀
图片尺寸680x469
控制水冷式中央空调(针对二线制温控阀)的安装接线
图片尺寸419x557
这怎么接
图片尺寸500x889
中央空调温控器接线图
图片尺寸600x773
lg中央空调高低静压风管机arnlb0322wf
图片尺寸731x996
中央空调风机盘管的接线图.#同城热门 - 抖音
图片尺寸1080x1920
格力空调室内外电气连接培训教材ppt
图片尺寸1080x810
深圳大金中央空调售后维修点大金vrvx7外机接线图
图片尺寸800x372
中央空调温控器接线图
图片尺寸424x443
中央空调温控器看不懂接线图
图片尺寸620x826
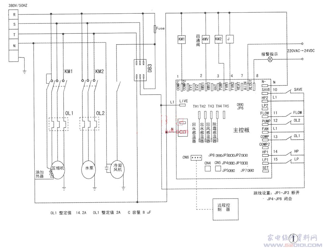
麦克维尔mac070cr户式中央空调电气控制原理
图片尺寸1062x813
美的空调,外机怎么接线?有黑,黄绿,黄 三条线
图片尺寸562x577
格力中央空调工程设计安装规范(多联机组)ppt
图片尺寸1080x810
外电气连接培训教材ppt 空调安装的教程 3,冷暖机使用全接线板连接
图片尺寸1080x810
中央空调风量调节开关接线图
图片尺寸171x255
中央空调怎样接线?
图片尺寸937x784
中央空调风量调节开关接线图
图片尺寸354x259