丰田花冠保险丝盒图解

前机仓保险盒,哪几个是acc(车门解锁就通电)保险丝_懂车帝
图片尺寸1244x1008
【图】附图更新:花冠ex保险盒图片及功用说明,备万一!可以加精吧!
图片尺寸700x998
【图】附图更新:花冠ex保险盒图片及功用说明,备万一!可以加精吧!
图片尺寸700x998
丰田皇冠保险丝盒图解,皇冠保险丝盒说明书
图片尺寸400x530
丰田保险丝盒英文翻译 - 抖音
图片尺寸860x1920
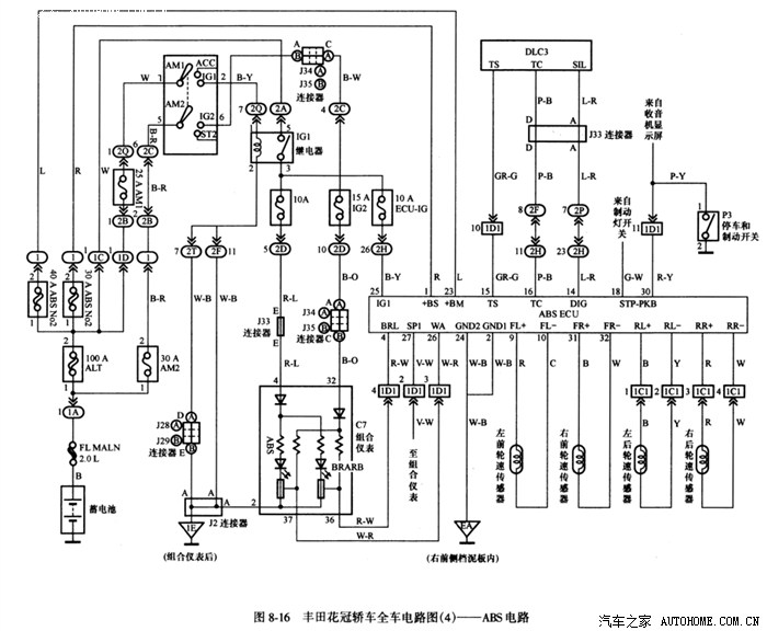
上传花冠的电路图好东西
图片尺寸700x576
【保险盒】丰田皇冠,凯美瑞,花冠,新汉兰达,卡罗拉,普拉多,威驰,埃尔
图片尺寸640x817
技师徐文凯你看一下这个保险丝有没有问题?
图片尺寸565x590
请教保险盒取电acc电源与常电的区别
图片尺寸700x1215
13款花冠cd机保险
图片尺寸700x524
各车型保险丝盒图解详细说明第二弹(含11款车型)
图片尺寸1027x1552
【保险盒】丰田皇冠,凯美瑞,花冠,新汉兰达,卡罗拉,普拉多,威驰,埃尔
图片尺寸692x694
雷凌保险丝图解丰田雷凌保险盒图解
图片尺寸600x800
各车型保险丝盒图解详细说明第二弹(含11款车型)
图片尺寸1027x1552
各车型保险丝盒图解详细说明第二弹(含11款车型)
图片尺寸1027x1552
【保险盒】丰田皇冠,凯美瑞,花冠,新汉兰达,卡罗拉,普拉多,威驰,埃尔
图片尺寸640x358
【图】附图更新:花冠ex保险盒图片及功用说明,备万一!可以加精吧!
图片尺寸700x518
2009年手动挡花冠保险丝对照表及附件
图片尺寸640x480
丰田花冠防盗器没反应_丰田_花冠_汽车大师
图片尺寸444x362
【一汽丰田雷凌】发动机舱保险盒保险丝定义图
图片尺寸608x603