二位一体数码管引脚图

求两位数码管引脚图型号(sm41052a)?求急用,求专业人士给图片,在线等!
图片尺寸583x653
2位数码管引脚接线图
图片尺寸499x456
请问2位数码管的引脚是怎么样分布的,我有几块2位的数码管但是不知道
图片尺寸326x340
二位led数码管的引脚个数及名称,用途
图片尺寸636x303
1位数码管引脚接线图
图片尺寸1189x811
stm32驱动2位数码管
图片尺寸1624x1463
有谁知道二位红色共阳型led数码管引脚图?急用.
图片尺寸786x407
led数码管的识别与检测方法使用常识
图片尺寸300x339
交通信号灯模拟控制系统设计单片机课程设计论文
图片尺寸295x276
图为:管脚排布
图片尺寸388x269
数码管是共阴还是共阳(数码管是共阴还是共阳型怎么区分)原创
图片尺寸667x400
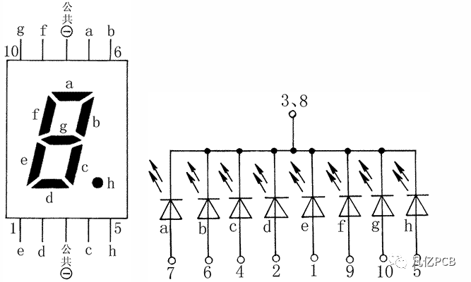
数码管引脚图
图片尺寸1024x543
36英寸数码管 3261as 2位数码管 双8数码管 led数码管工厂
图片尺寸861x1259
2位led数码管资料
图片尺寸652x549
二位共阳数码管引脚图
图片尺寸920x1302
数码管的管脚排列
图片尺寸414x189
4英寸2位红色共阴led数码管共阳红光 4021as/bs 20mm*16mm
图片尺寸649x722
led数码引脚图
图片尺寸841x588
4位数码管引脚接线图
图片尺寸820x421
供应二位数码管 0.8英寸双位 动态 静态 共阴共阳红光 绿光 蓝光
图片尺寸533x709