仪控典型回路图

cn212256090u_液动限流自动控制系统有效
图片尺寸1869x1272
xct-101动圈式温度调节仪控温电路
图片尺寸2000x1990
通信控制系统
图片尺寸2828x1924
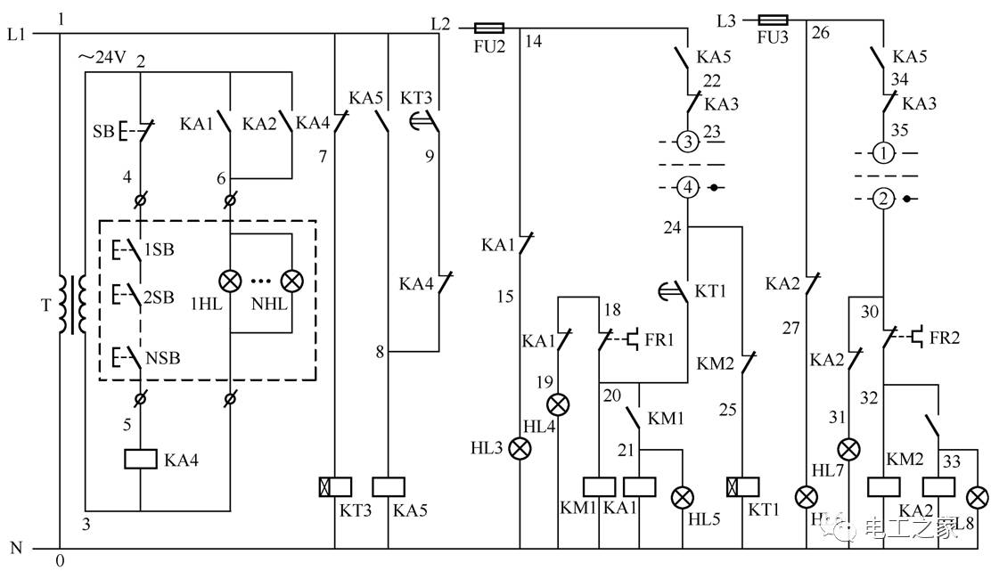
电气控制原理图.png
图片尺寸1763x992
一种核电厂安全级仪控系统的功能验证系统
图片尺寸1907x1130
机电控制控制 - 热门商品专区
图片尺寸2000x1435
安全仪表回路图
图片尺寸1080x810
常见电气控制电路
图片尺寸1112x641
组合仪表控制 组合仪表电路原理图如图8所示.
图片尺寸1720x1125
水温控制电路图求解.
图片尺寸3360x2700
仪表回路图怎么绘制
图片尺寸576x723
温度控制系统电路图
图片尺寸1633x1091
模拟仪表回路图一例(新手必看)
图片尺寸2176x1582
工作台自动往返行程控制电路
图片尺寸1124x936
9.1电气控制电路图.doc 4页
图片尺寸792x1120
控制器电路图
图片尺寸1169x798
数字显示温控仪电路
图片尺寸956x773
求次电气控制原理图的工作原理.谢谢!
图片尺寸3264x2448
控制回路电路图
图片尺寸466x340
单回路数字显示控制仪
图片尺寸600x445