仿真电路图

基于pid控制方式的buck电路的设计仿真
图片尺寸640x494
单片机仿真软件proteus8.
图片尺寸1080x698
pcb设计中几款主流电子电路仿真软件优缺点比较
图片尺寸640x406
3.1 软件开发环境软件采用c语言编制,采用proteus进行电路仿真.
图片尺寸554x501
仿真电路图
图片尺寸676x331
multisim仿真软件安装包下载安装multisim软件仿真设计讲解3
图片尺寸660x461
即可画好一条连线,按 放置导线连接结点,画好连线的仿真电路图见图7
图片尺寸564x375
multisim模拟电路仿真 multisim软件中文版下载安装及特色功能|晶体管
图片尺寸660x375
用multisim仿真的电路图
图片尺寸315x298
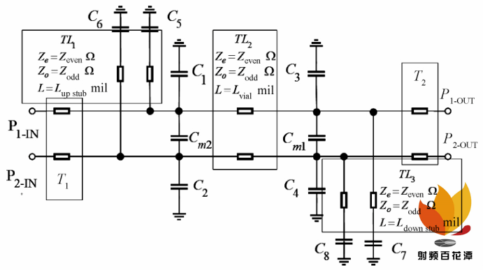
根据前端的原理框图,在ads中构建仿真电路图,高灵敏度条件下的射频
图片尺寸1052x547
基于pid控制方式的buck电路的设计仿真
图片尺寸539x293
1 时钟电路和复位电路1 仿真电路四,电路仿真和仿真结果分析:2,键盘
图片尺寸523x330
13中文版安装包下载|编辑器|仿真器|eda|proteus_网易订阅
图片尺寸640x467
图 6 高增益低噪声放大器仿真电路图图 7 高增益下lna的s参数图 8 高
图片尺寸853x402
图3 可以使用仿真工具(例如adi的ltspice03)对电路实施初始测试
图片尺寸502x270
文原创三电平zvs半桥的控制模型与仿真上篇
图片尺寸528x538
高速pcb差分过孔hfss仿真分析与优化
图片尺寸691x387
基于pid控制方式的buck电路的设计仿真
图片尺寸578x457
虚拟仿真助力在线实验教学电路与模电数电实验顺利开展
图片尺寸558x432
【多图解析】开关电源从分析→计算→仿真
图片尺寸514x670