伺服电子变压器原理图

一种带保护功能的伺服变压器的制作方法
图片尺寸1000x592
cn102183911a_伺服压力机的控制系统有效
图片尺寸1932x2095
交流伺服驱动系统的控制方法及特点是什么
图片尺寸959x610
本电子变压器工作原理与开关电源相似,电路原理图见图1( [url=
图片尺寸572x284
免费文档 所有分类 工程科技 电子/电路 伺服压装机电路图 model (1)
图片尺寸867x1203
伺服驱动器原理图详解pdf
图片尺寸1212x849
亿维us100系列伺服系统
图片尺寸2275x1452
一种高频交直流电机通用伺服驱动电路
图片尺寸1775x1279
一种电力电子变压器制造技术
图片尺寸886x1000
一种伺服驱动液压控制系统
图片尺寸2042x915
输出电压稳定的电子变压器电路原理
图片尺寸1566x956
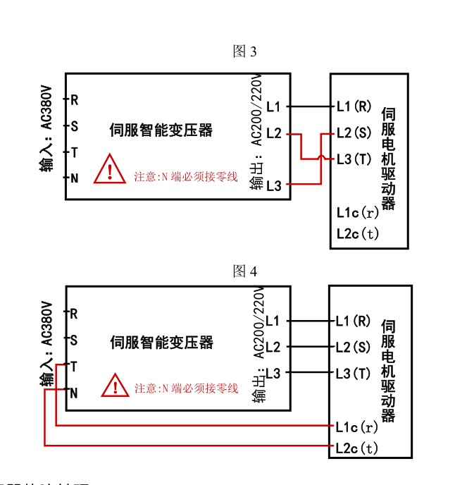
电子变压器380v转220v伺服电机驱动用1kw2kw3kw4kw55kw75kw10kw
图片尺寸673x688
变频器的简单认识
图片尺寸555x339
伺服驱动器电路图详解
图片尺寸1164x694
配件 压缩机配件 正文 一,空气压缩机变频调速控制系统及原理
图片尺寸550x570
变压器原理
图片尺寸709x463
【带开关电源的】伺服变压器
图片尺寸721x524
200w电子变压器电路
图片尺寸796x573
12v50w电子变压器制作
图片尺寸572x284
400w高性能伺服电机17bit编码器伺服电机
图片尺寸630x469