低压系统图识图解读

图3-7 低压设备供配电电路的结构与功能特点
图片尺寸1856x2071
低压配电系统的供电电制和漏电保护
图片尺寸960x720
图3-6 低压配电柜供配电电路的识读分析
图片尺寸2018x2110
表9-4 低压动力配电系统接线方式
图片尺寸640x810
低压配电系统图
图片尺寸1105x732
详解高低压配电系统
图片尺寸960x720
低压配电柜的设计与施工 ◆低压配电系统示意图 1-干线 2-分干线 3-支
图片尺寸1080x810
直流系统,ups,低压配电系统ppt
图片尺寸1080x810
做一个低压供配电系统的关于电压电流的监控程序,要使用那款软件?
图片尺寸638x548
低压配电 电力系统示意图
图片尺寸1080x810
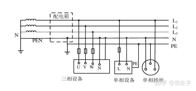
解读低压配电系统线制及接地
图片尺寸637x297
低压配电系统
图片尺寸624x428
工程科技 电力/水利 地铁低压配电与照明ppt 一,低压配电系统的构成及
图片尺寸1080x810
某10kv变电所低压电气系统图
图片尺寸1635x779
通信电源双系统,双节点保障优化方案 交流高低压供配电系统 1#线10kkv
图片尺寸1080x810
很多电工识图基础不好今天老电工图文讲解几种低压经典方案
图片尺寸1080x732
低压供电系统
图片尺寸1080x754
多图文网络最全常用低压电器
图片尺寸1096x777
低压配电系统图 配电系统 配电系统图下载 配电箱图 配电系统图识读
图片尺寸1095x692
低压配电系统图
图片尺寸1666x819