信号放大电路

放大电路的工作原理
图片尺寸1399x987
低频小信号放大器
图片尺寸702x372
微弱信号放大电路,为什么输出端测不到信号?芯片是用ad620.
图片尺寸997x764
这个微弱信号放大电路图能帮我分析下么?为什么u4输出没有波形
图片尺寸2970x1859
谁知道lm324的放大电路怎么做?
图片尺寸1462x1188
如下图3,检测出来的电流通此电路就能转换成电压信号,供adc转换成数字
图片尺寸1296x802
求一个集成运放构建一个能放大10倍的直流放大电路
图片尺寸1014x792
放大电路图ppt
图片尺寸1080x810
设计单电源供电的反相放大器,输入信号为0~±50mv的200hz正弦信号
图片尺寸607x339
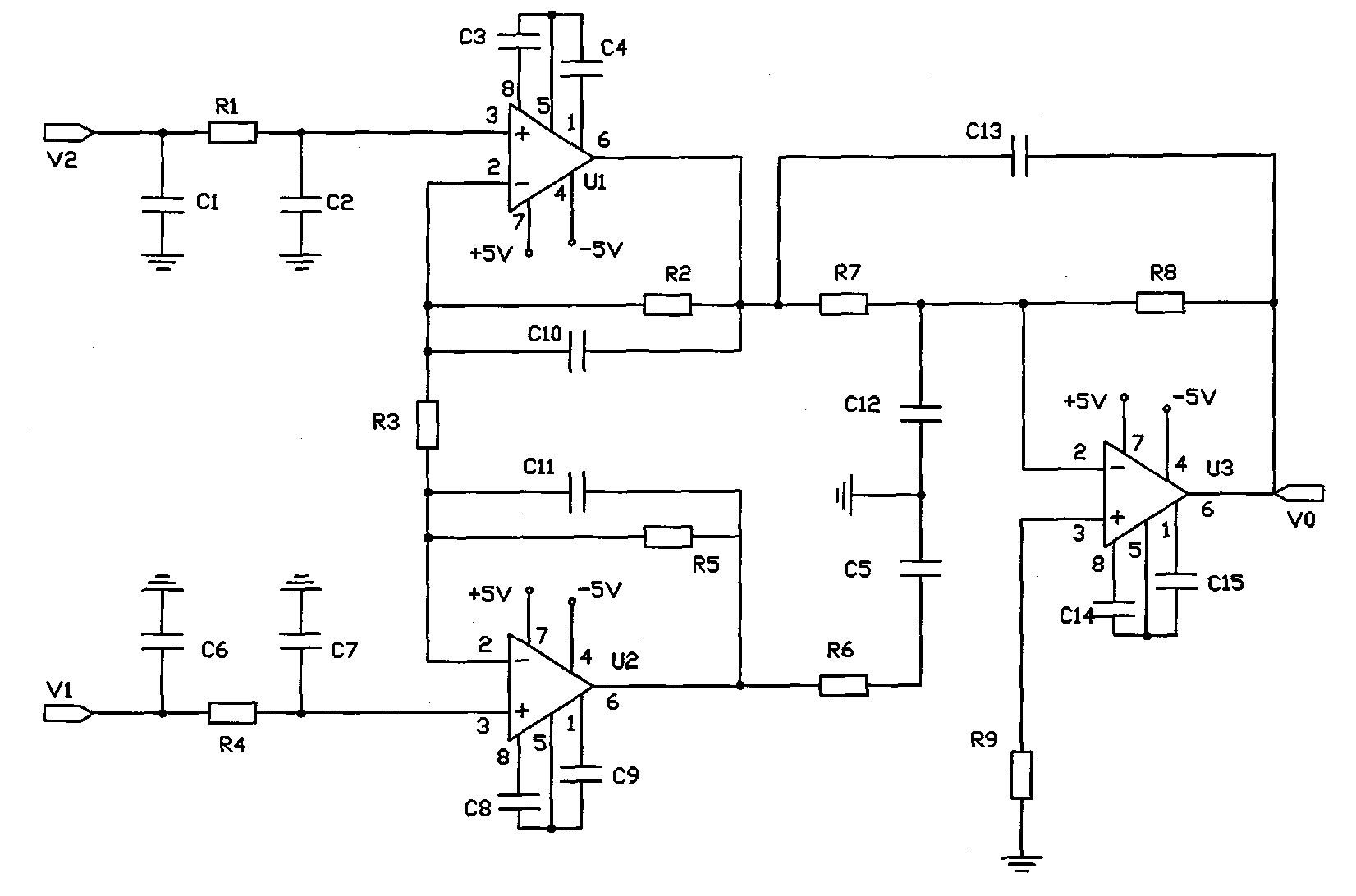
多级放大电路
图片尺寸1540x892
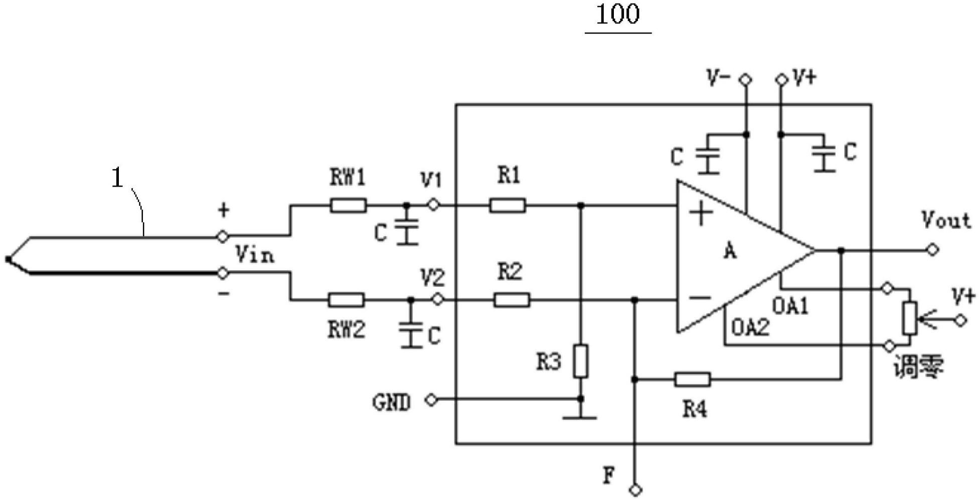
一种由精密运算放大器组成的热电偶信号放大电路
图片尺寸1952x999
求一个毫伏信号放大比较电路
图片尺寸617x366
用运放放大一个信号的问题
图片尺寸1014x552
跪求三极管音频信号放大电路,最好简单的
图片尺寸354x262
op27gz小信号高低频多级放大multisim仿真电路
图片尺寸803x416
信号放大电路
图片尺寸1652x1092
ad-5100_电路
图片尺寸2416x1800
如何使用三极管对信号进行可控倍数的放大?
图片尺寸496x317
为什么我共射级放大电路出来的直流正弦信号接入我的运放二级放大不能
图片尺寸666x524
高频复习纲要第三章 高频小信号放大器
图片尺寸1606x1039