充电桩电路图

分体式一桩一枪直流充电桩电气原理
图片尺寸1214x880
分体式一桩双枪直流充电桩电气原理
图片尺寸1192x1556
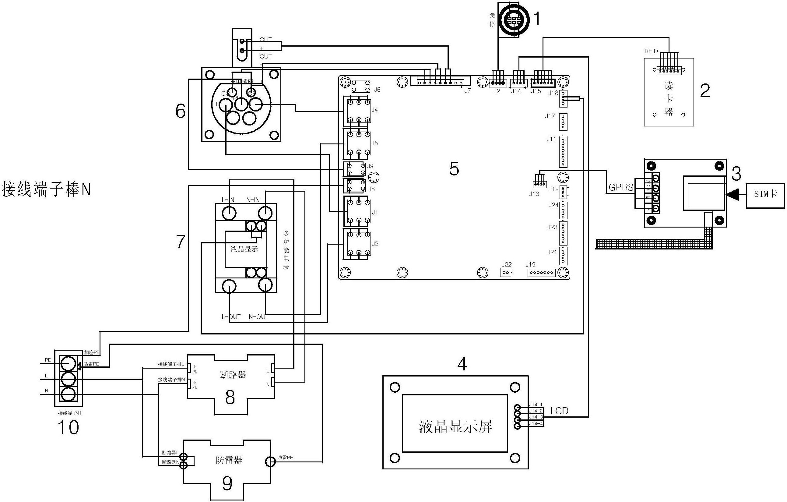
一种电动汽车充电桩电路的制作方法
图片尺寸1000x711
充电桩功率补偿电路
图片尺寸1782x1107
cn107310418a_一体式电表型充电桩在审
图片尺寸968x1000
充电桩电路
图片尺寸897x477
一种直流电动汽车充电桩的制作方法
图片尺寸493x1000
新能源汽车充电桩检测标准介绍
图片尺寸700x500
一种电动汽车充电桩整流器控制系统及方法
图片尺寸1987x1531
电动车充电桩电路图
图片尺寸722x456
电动汽车及其直流充电电路及充电桩的制作方法
图片尺寸1000x659
单枪直流充电桩解决方案
图片尺寸900x413
一种可进行复选实现大电流充电的充电桩的制作方法
图片尺寸1000x882
一种电动汽车充电桩
图片尺寸1000x965
利用有源滤波功能的电动汽车充电桩制造技术
图片尺寸1000x664
一种智能充电桩及基于该智能充电桩的充电方法
图片尺寸2585x1648
一种直流充电桩的电源管理系统的制作方法
图片尺寸1000x548
本发明公开了一种直流充电桩控制系统,包括主控电路,绝缘检测电路,can
图片尺寸1763x1729
cn110203095a_超级电容驱动型电机车配套的快速充电桩
图片尺寸1948x788
储能式电动汽车充电桩系统的设计
图片尺寸1000x1306