先导式减压阀原理图

200x分体先导式减压稳压阀原理
图片尺寸960x539
先导式减压阀工作原理课堂ppt
图片尺寸920x690
yx741x先导可调式减压阀原理,调试方法,使用说明_压力_调节_出口
图片尺寸1920x1080
减压阀工作原理图和安装示意图
图片尺寸490x500
减压阀的工作原理和基本性能
图片尺寸467x396
y43h先导活塞式蒸汽减压阀工作原理
图片尺寸617x528
工程科技 机械/仪表 > 先导式减压阀图解先导式减压阀工作原理,图片
图片尺寸1080x810
减压阀应用及其注意事项
图片尺寸553x556
减压阀的工作原理
图片尺寸391x436
减压阀的工作原理图片
图片尺寸800x1132
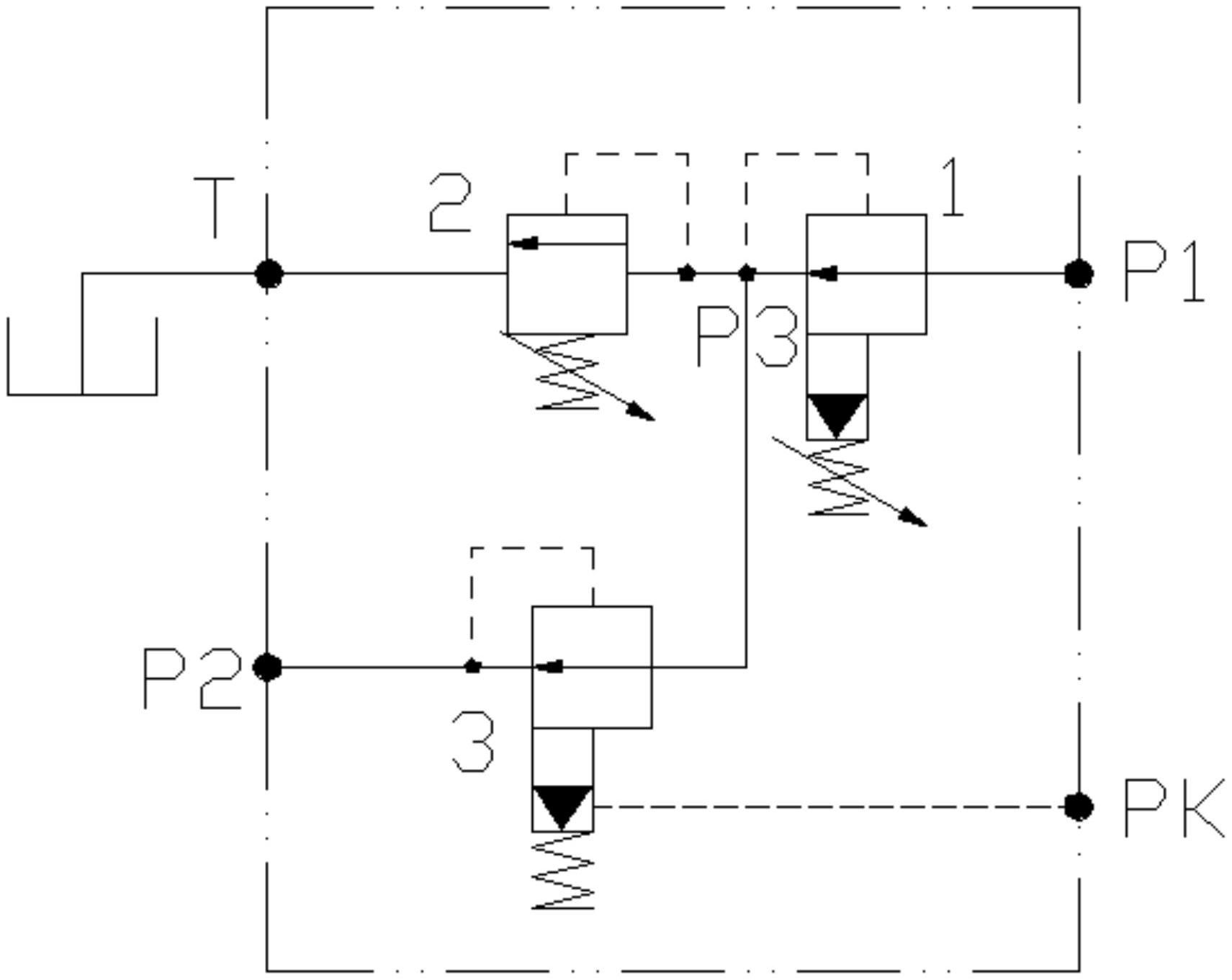
cn212028663u_一种先导减压一体组合阀有效
图片尺寸1711x1361
减压阀的工作原理
图片尺寸401x594
稳压减压阀
图片尺寸565x386
一种先导式减压阀的制作方法
图片尺寸842x1000
减压阀原理图ppt
图片尺寸1080x810
图1 先导式电液比例减压阀的工作原理图
图片尺寸1350x1557
smc ir系列先导式精密减压阀结构原理图
图片尺寸431x452
先导式减压阀原理示意图
图片尺寸269x376
200x 自来水减压阀 可调式先导式减压
图片尺寸650x825
第1页 (共2页,当前第1页) 你可能喜欢 先导式减压阀工作原理 可调先导
图片尺寸1080x810