全自动洗衣机电路图解

爱德xqb454da全自动洗衣机电路图
图片尺寸1314x891
全自动洗衣机原理图洗衣机的电路原理与检测
图片尺寸1286x940
型全自动洗衣机电路原理图见图1
图片尺寸800x562
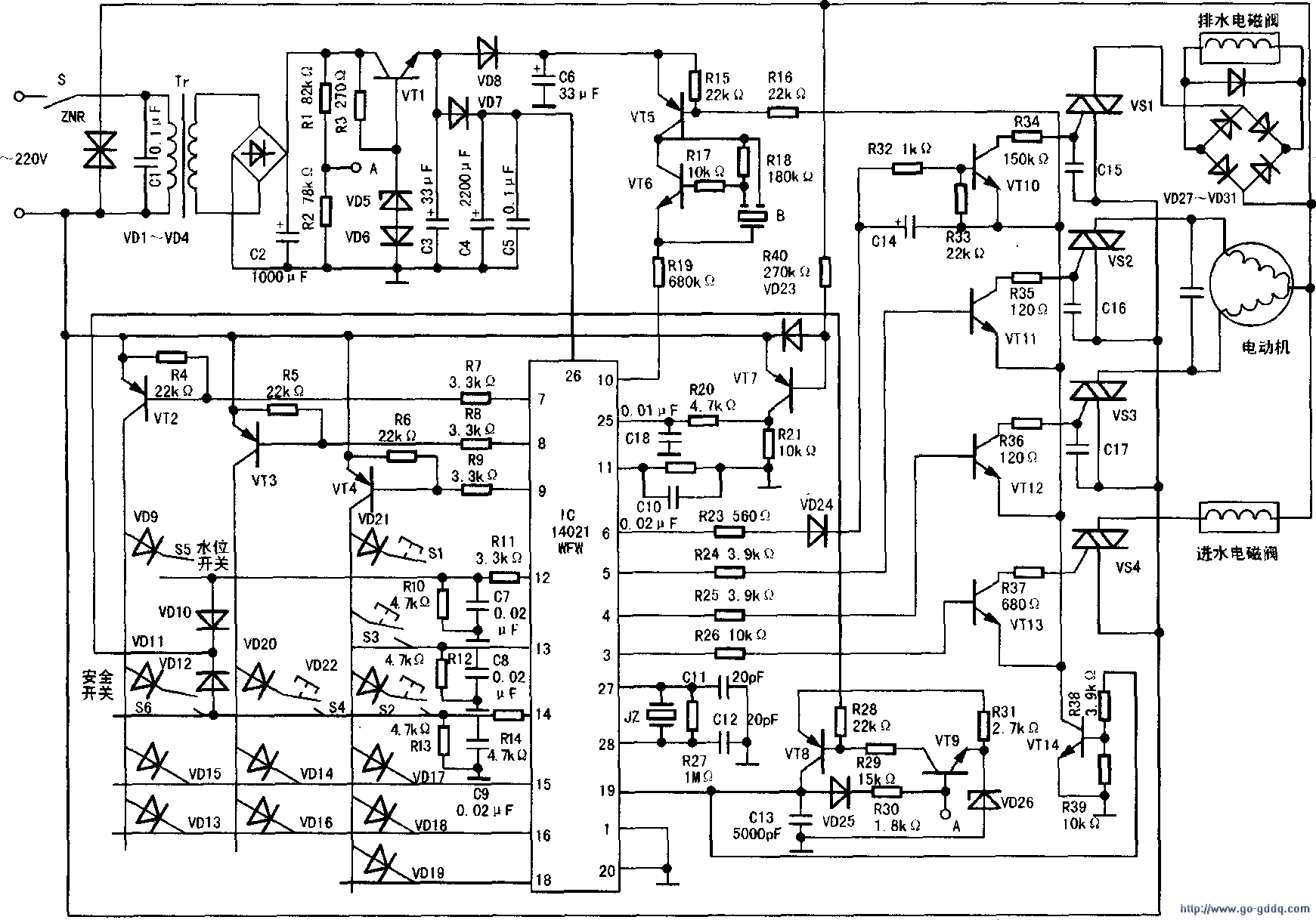
小天鹅全自动洗衣机电原理图
图片尺寸1741x1218
文档下载 所有分类 工程科技 电子/电路 > cxd-1型全自动洗衣机电气
图片尺寸959x594
申花牌全自动洗衣机-其他控制电路图-电子产品世界
图片尺寸692x456
aw-8310b型全自动洗衣机电气电路图
图片尺寸606x439
whirlpool普通洗衣机电路图
图片尺寸610x450
全自动洗衣机电路图
图片尺寸800x600
下一页 你可能喜欢 洗衣机电脑板 全自动洗衣机维修 全自动洗衣机电路
图片尺寸1309x989
波轮式全自动洗衣机的电路工作原理
图片尺寸640x425
海棠xqb421全自动洗衣机电路
图片尺寸1337x924
金鱼xpb203s洗衣机电路图
图片尺寸905x449
海尔xpb40f全自动洗衣机电路图
图片尺寸783x516
几款小鸭,海尔滚筒洗衣机电路解析
图片尺寸1338x984
水仙xqb30-11全自动洗衣机电路图
图片尺寸1500x1029
海尔xqb60-0528a洗衣机电路图
图片尺寸491x405
松下na711型微电脑全自动洗衣机电路图
图片尺寸700x442
三洋xqb55-118型全自动洗衣机,不工作
图片尺寸969x1008
白兰xbb303s洗衣机电路图
图片尺寸841x1181