八位数码管引脚图

8段数码管引脚图8段数码管动态显示详解
图片尺寸490x324
八段共阳极led数码管引脚图
图片尺寸681x418
数码管引脚图
图片尺寸1024x543
led数码管的引脚测量
图片尺寸900x596
八段数码管结构
图片尺寸640x555
74hc595控制8位数码管 51单片机
图片尺寸581x481
8051单片机实战分析以stc89c52rc为例05静态数码管驱动
图片尺寸1363x507
led数码管的静动态显示设计
图片尺寸709x390
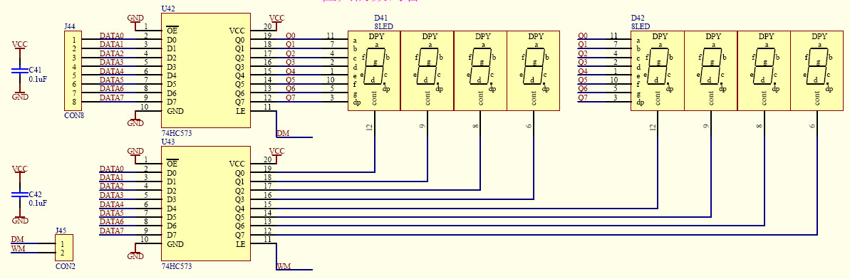
51单片机八数码管电路介绍
图片尺寸1193x392
5611ah数码管引脚图
图片尺寸693x518
数码管通常有两种不同的接法,共阴极和共阳极,共阴极顾名思义就是讲八
图片尺寸744x479
vcc接5v电源,q0-q7这8根引脚直接跟数码管的8段引脚相连
图片尺寸548x551
供应0.40英寸 双二位8 共阴共阳 led数码管红色光 黄绿 蓝光
图片尺寸601x780
基于stm32f103c8t6的74hc595驱动8位数码管模块学习
图片尺寸617x431
三位八字型数码管的引脚是怎么排列的?
图片尺寸600x467
数码管引脚图解
图片尺寸429x357
fpga 动态数码管显示实验
图片尺寸776x654
led数码管的识别与检测方法使用常识
图片尺寸300x325
led8段数码管的设置为每个方位上的一对2为显示器.
图片尺寸771x288
3. 数码管引脚及连接简介
图片尺寸254x346