八选一数据选择器

8选1数据选择器74ls151doc3页
图片尺寸792x1120
八选一数据选择器.doc
图片尺寸792x1120
实现74hc151的8选1数据选择器功能以及用两片74hc151组成一个16选1
图片尺寸1920x1080
用八选一多路选择器等器件设计一个四中取二码判别电路.
图片尺寸1536x2048
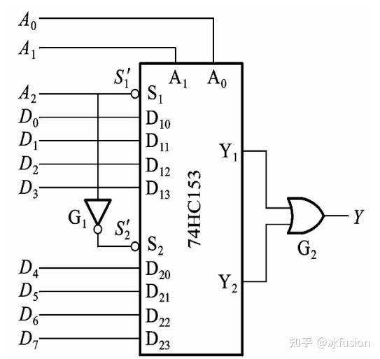
电子技术基础74ls153(四选一数据选择器)74ls151(八选一数据选择器)
图片尺寸1080x691
用8选1数据选择器实现
图片尺寸575x264
将两片74ls151连接成一个两位8选1数据选择器 en c b a g c b y a d0
图片尺寸1080x810
数电 分析图8选1数据选择器74151构成的电路,写出其逻辑表达式.
图片尺寸403x241
实现74hc151的8选1数据选择器功能以及用两片74hc151组成一个16选1
图片尺寸1920x1080
8选1数据选择器
图片尺寸350x149
数字电路问题:如何用8选1数据选择器74ls151和合适的门电路实现逻辑
图片尺寸1096x566
verilog语言编写八选一数据选择器
图片尺寸1366x768
8选1数据选择器74151逻辑功能图片
图片尺寸474x337
八选一数据选择器两种写法
图片尺寸614x541
数电实验二利用8选1数据选择器74ls151设计四舍五入判别电路
图片尺寸576x431
74ls1518选1数据选择器实现3位开关控制电路quartusii软件仿真
图片尺寸545x727
如何选择4选一数据选择器实现8选一数据选择器功能
图片尺寸543x513
130nm8选1数据选择器仿真实现
图片尺寸999x1006
74系列数字电路74251.74ls251等8选1数据选择器/驱动器(三态)
图片尺寸1446x2040
用8选1数据选择器设计一个函数发生电路,当选择输人端s1,s0为不同状态
图片尺寸986x384