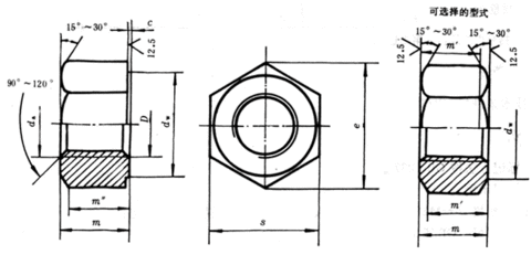
六角螺母制图画法
![autocad2013六角螺母:[2]侧视图](https://imgs.wantubizhi.com/img/A1A61BAA66193547F3A6DD7D8EE527E9B9EACA826768388E633D09498B68D4716D4430191F66A95A792B4F4FFF0D044106F72E227060C3E8D40DCA961319CE9BDBA2E8E09F796B4CD94BE26EDE9DB9109A2C90475F7384828B5BB6F4FBDBEAEC) - autocad2013六角螺母:[2]侧视图图片尺寸961x468
 - 一颗标准的六角螺母是这样绘制出来的图片尺寸640x370
 - 镀锌全金属六角锁紧螺母 锁片式 gb6184图片尺寸648x416
 - c级 六角螺母 din  555 - 1987图片尺寸600x423
 - 名称:六角螺母 c级图片尺寸596x333
 - 六角螺母c级图片尺寸560x440
 - 304/316不锈钢六角薄螺母扁螺帽m2.图片尺寸675x350
 - 六方螺帽工艺06ppt图片尺寸1080x810
 - cad怎样画六角螺母看完你学会了么图片尺寸480x240
 - 六角螺母的制作图片尺寸457x267
 - 公制六角塑料螺母m5图片尺寸517x348
 - 六角头螺母的比例画法:六角头螺栓的比例画法:注:头部曲线与螺母相似图片尺寸794x542
 - 六角螺母图片尺寸468x231
 - 螺母加工步骤有哪些?复鑫网告诉您图片尺寸828x644
 - m6六角螺母尺寸大概是多少_你问我答网图片尺寸439x297
 - en 14399-7-2018 高强度用 hr型 大六角螺母图片尺寸2245x1387
 - 2重型六角螺母,304不锈钢,规格:7/16-14.图片尺寸1750x1280
 - 机械制图六角螺母的画法图片尺寸566x896
 - gbt617712000六角法兰面螺母图片尺寸622x592
 - 求一六角螺母cad图 带标注 m10图片尺寸942x533