内六角紧定螺钉画法

今日紧固件设计图分享:内六角凹端滚花紧定(机米螺丝),din916k,德标的
图片尺寸2111x1280
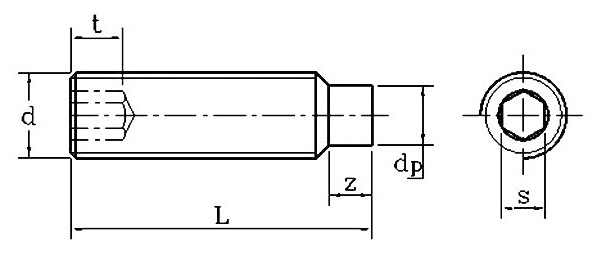
内六角锥端紧定螺钉din914/(m16×40现货库存)
图片尺寸1919x883
今日紧固件设计图分享:内六角波珠紧定螺钉,也叫内六角球头紧定,是机
图片尺寸2170x1280
螺纹紧固件的规定画法和标记
图片尺寸1439x814
六角螺栓画法图示详解
图片尺寸513x216
gb/t 78-2000内六角锥端紧定螺钉.pdf 12页
图片尺寸797x1166
9级内六角凹端机米顶丝 m2.5*5【100个】
图片尺寸432x174
凹端内六角紧定螺丝
图片尺寸2441x1701
合金钢129级内六角凸端无头螺丝机米紧定螺钉
图片尺寸775x272
常见螺纹紧固件的画法
图片尺寸768x422
din915/gb79不锈钢内六角圆柱端紧定螺丝m3
图片尺寸598x256
m12m14m16m20 12.9级内六角凹端紧定螺钉/基米螺丝/机米/无头顶丝
图片尺寸675x350
半圆头螺钉,盘头螺钉的规定画法内六角圆柱头螺钉,沉头螺钉,04双头螺
图片尺寸928x511
聚醚醚酮peek 内六角槽紧定螺钉
图片尺寸800x566
常见螺纹紧固件的画法
图片尺寸735x572
螺纹紧固件的规定画法和标记
图片尺寸1507x1122
din914 m6*12 内六角锥端紧定螺钉
图片尺寸518x498
弹簧垫圈的规定画法六角盖形螺母,紧定螺钉,02六角头螺栓,六角螺母的
图片尺寸824x383
英制内六角锥端紧定螺钉的表示方法及规格标准介绍_直径_螺纹_螺丝
图片尺寸624x241
【din916内六角凹端紧定螺丝 厂家加工定制】价格,厂家,图片,螺钉
图片尺寸906x335