内开内倒窗故障处理图

好处多多的内开内倒窗真的爱了
图片尺寸1080x1439
内开内倒窗五金配件 坚朗门窗五金件内开内倒断桥铝窗内倒内平开窗下
图片尺寸790x1036
内倒 - 抖音
图片尺寸1080x1332
内开内倒窗
图片尺寸1080x1439
断桥铝内开内倒窗系统窗
图片尺寸1080x809
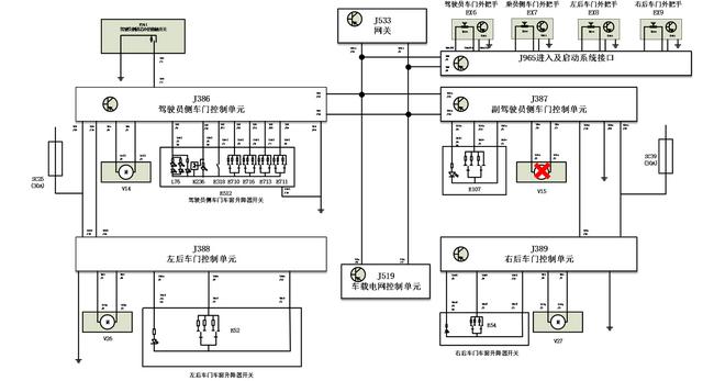
故障现象:1. 将e107开关拉住,升降器上升一下就停止.2.
图片尺寸640x347
内开改内倒窗 平开改上悬窗 内开内倒件 断桥铝门窗五金配件
图片尺寸800x1500
在装修的小伙伴们有条件一定要考虑窗户内开内倒 真的是 - 抖音
图片尺寸827x991
德森克dsn85-z开内倒窗-窄边-样角.jpg
图片尺寸1200x675
大众车系电动窗故障检修技巧图
图片尺寸371x186
听我一句劝落地内开内倒窗安排起来
图片尺寸1080x1439
断桥铝内开内倒窗的操作要点及注意事项
图片尺寸640x453
hopo内开内倒五金件窗户断桥铝合金窗用配件欧标门
图片尺寸800x800
大众迈腾b7轿车左后电动车窗升降异常
图片尺寸796x703
故障3:开关e711信号线断路6. j388无法诊断进入.5.
图片尺寸640x576
108窗纱一体内开内倒系统窗
图片尺寸1080x1439
内开内倒窗好的设计一点空间都不影响#e格静音系统门窗 #阳光房
图片尺寸1080x809
5v的error信号进行24v电平转换,接入电路后原信号电压莫名被拉低至1.
图片尺寸3264x1840
避坑1: 北方一定要选内开内倒窗, - 抖音
图片尺寸1280x1706
快速安装内开内倒窗五金系统技巧
图片尺寸630x421