农村自建房地基设计图

7款面积小的二三层农村自建房春季建房就选这几款农村别墅
图片尺寸800x891
预算15万以内不含地基农村一层自建房图纸推荐#农村自建房 # - 抖音
图片尺寸1080x1588
8款带车库二层农村别墅,简单实用外观靓,这才是理想的乡村别墅_设计
图片尺寸640x800
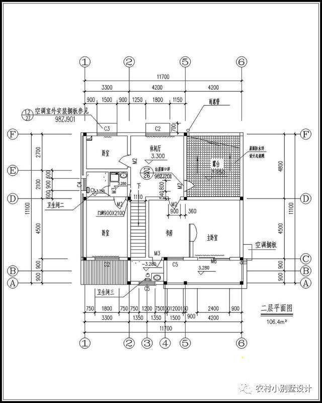
农村自建房,宅基地11×12米,怎样设计比较好?
图片尺寸640x827
我的农村自建房地基做好了,可以改结构吗
图片尺寸571x528
小宅基建别墅,这就是典范 -别墅设计-乡村房子设计图-农村自建房设计
图片尺寸1000x1211
农村自建房面宽6米,进深10米,可以怎么设计比较合理?
图片尺寸1280x1550
农村自建房地基3米外露2米有路面安全吗
图片尺寸500x569
求农村四间三层楼房设计图,地基坐北朝南,长3.7*4=14.
图片尺寸1600x1280
想要以上别墅全套施工图纸还是想要根据您的地基及要求来定制设计独一
图片尺寸640x800
乡村自建房小别墅结构施工图-砌体结构施工图-筑龙结构设计论坛
图片尺寸799x599
新中式别墅建就完了 -别墅设计-乡村房子设计图-农村自建房设计图
图片尺寸1000x1002
农村自建房自己的设计图,准备筹建,请指点之二:最新版
图片尺寸420x666
11x12米方正农村自建房,符合你家的地基?
图片尺寸640x736
6x11米三层农村自建房小面宽也能实现豪宅梦狭长地基不用愁了
图片尺寸554x717
8套开间10米多的农村别墅,小地基建房更精致,别有风味
图片尺寸554x684
农村三层自建房设计图,快来看看,简直就是小宅基地的福音
图片尺寸640x653
占地不足100平的农村自建房3套8米面宽带挑空客厅够时尚
图片尺寸640x752
农村自建房开间7米进深13米,该怎么设计?
图片尺寸640x1068
农村自建房房屋楼房别墅建筑地基基础平面设计图片套房布局效果图
图片尺寸780x624