冷藏柜电源线接线方法

谁有冷库安装电控箱的接线图和压缩机如何接线的?
图片尺寸816x612
技嘉h61m—d2v机箱电源线如何接?
图片尺寸1295x1921
冰箱为什么火线和零线是通的
图片尺寸640x480
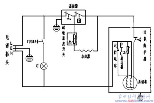
冰箱ptc启动器怎么接线
图片尺寸899x484
展示柜冰柜的线路结构
图片尺寸665x411
家庭用电电箱接线图_接线图分享
图片尺寸512x344
海信bcd-199uc冷藏冷冻箱电气接线图
图片尺寸445x618
冷库制冷和化霜接线图_接线图分享
图片尺寸829x587
常见冰箱压缩机几种启动接线法及测量
图片尺寸895x722
冷库控制原理与温控器功能解析
图片尺寸691x300
在线领券导购网
图片尺寸1500x1366
电冰箱控制线路的连接
图片尺寸703x451
施乐华
图片尺寸1409x567
led室内电源24v 350w led开关电源 led灯条铝壳电源 恒压24v电源图片
图片尺寸750x550
床头柜电路 接线图_接线图分享
图片尺寸601x596
正泰nh40-200a/4sz双电源接线图
图片尺寸804x484
冷藏柜和冷冻柜控制电路图
图片尺寸475x648
直冷式电冰箱长期运转不停机真假故障分析和检修方法
图片尺寸435x367
温控器tzn4s接线图及说明书_接线图分享
图片尺寸1684x1189
冷库门电控箱,变频驱动,高速平稳,大力矩,防夹防撞,定位精准
图片尺寸638x528