凸轮轴承随动器结构图

凸轮随动器 cfs型_蒂业技凯thk凸轮轴承随动器/滚子轴承随动器-米思米
图片尺寸836x661
凸轮随动器 cfs型_蒂业技凯thk凸轮轴承随动器/滚子轴承随动器-米思米
图片尺寸880x457
经济型凸轮轴承随动器一字圆柱形
图片尺寸525x686
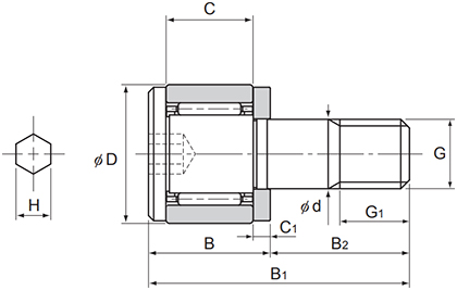
内六角孔凸轮轴承随动器 cf-a型 (cf3muu-a)
图片尺寸420x304
凸轮随动轴承的制作方法
图片尺寸1000x945
凸轮轴承随动器 标准型 圆柱型_凸轮轴承随动器/滚子轴承随动器
图片尺寸420x258
凸轮随动器cfh(ab)_蒂业技凯thk凸轮轴承随动器/滚子轴承随动器
图片尺寸880x507
凸轮轴承随动器 标准型 圆柱型_凸轮轴承随动器/滚子轴承随动器
图片尺寸790x355
凸轮随动器cfs型
图片尺寸338x288
米思米misumi聚氨酯包覆型凸轮轴承随动器内六角孔型cffrra5-13
图片尺寸1090x555
凸轮轴承随动器
图片尺寸1040x692
凸轮随动器
图片尺寸321x241
如图所示,一般的凸轮随动器,只有一截,这个凸轮随动.-贤集微头条
图片尺寸743x820
日本iko凸轮从动轴承的适用例,凸轮随动器系列-日本hephaist轴承代理
图片尺寸800x369
如图,我见过的凸轮随动器,都是一个轴承,这种双轴承的,是什么型号?
图片尺寸916x707
凸轮随动器cfs型
图片尺寸420x351
凸轮随动器cfs型
图片尺寸420x267
凸轮随动器的安装类型,应用情况及选型
图片尺寸1728x1080
支架材质 支架表面处理 随动器材质 随动器形状 附属 凸轮轴承随动器
图片尺寸900x607
滚子随动器球面外圈非分离型nart型号交期
图片尺寸871x432