分立元件放大电路

diy一台简洁高品质分立元件暖声前级
图片尺寸2519x1310
第一次画了全分立元件功放请大侠们赐教
图片尺寸1900x1000
经典的分立元件功放电路
图片尺寸600x354
无忧文档 所有分类 工程科技 电子/电路 用六只分立元件自制最简单的
图片尺寸489x525
8w高保真有源奋调调节放大器电路-分立元件放大-维库电子市场网
图片尺寸700x430
适合新手制作的50w2的简单分立功放电路
图片尺寸1174x642
一款经典的分立元件功放电路图-分立元件放大-维库电子市场网
图片尺寸483x436
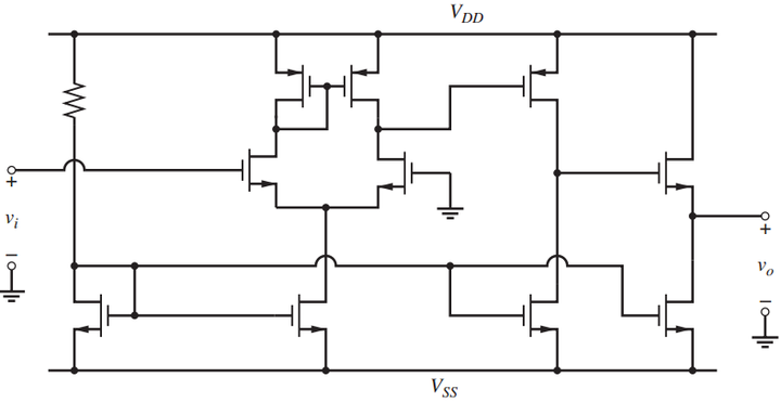
差分放大器
图片尺寸1344x1033
9012 otl分立元件功放电路
图片尺寸1263x893
分立元件功率放大器电路----电子制作天地
图片尺寸520x312
分立元件的功率放大电路求助
图片尺寸699x488
三,放大器构建的差分运算放大电路
图片尺寸1016x798
分立元件ocl功率放大电路详解
图片尺寸700x514
经典分立元件功放电路图-分立元件放大-维库电子市场网
图片尺寸900x601
这分立元件功放电路有问题吗?
图片尺寸528x314
不太懂附件采用分立元件的放大电路
图片尺寸800x600
利用分立元件组成和集成运放内部完全相同的电路,是否会具有同样优秀
图片尺寸720x371
自制分立元件50w高保真功率放大器电路图
图片尺寸839x574
用2sa2151和2sc6100制作的分立元件功放-555单稳态电路图-电子产品
图片尺寸303x236
基于ti器件的电子竞赛常用模拟系统设计与实践第3课基本放大电路
图片尺寸451x268