半桥式开关电源电路图

半桥式开关稳压电源实用电路
图片尺寸2546x1569
半桥方式实用开关稳压电源电路图
图片尺寸788x431
所有分类 工程科技 电子/电路 高清atx电脑开关电源图纸(tl494半桥)上
图片尺寸1786x1263
十几个元件构成半桥开关电源电路结构简单输出功率大方便调试
图片尺寸1280x720
开关电源 #半桥式 半桥式开关电源工作原理: 市电整流变为 - 抖音
图片尺寸1920x1174
半桥式开关电源主回路工作原理
图片尺寸1915x1011
pwm型半桥式开关稳压电源的设计
图片尺寸891x401
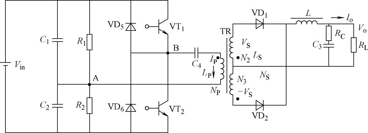
他激型半桥式开关稳压电源实际电路
图片尺寸622x548
半桥脉宽开关电源电路图
图片尺寸880x517
可以采用半桥式变换电路,它是离线式开关电源较好的拓扑结构
图片尺寸1223x445
关于tl494半桥电路的若干问题-综合电源技术-世纪电源网社区
图片尺寸1196x592
采用sg8524构成的半桥型开关稳压电源电路
图片尺寸768x500
所有分类 工程科技 电子/电路 高清atx电脑开关电源图纸(tl494半桥)
图片尺寸3036x1876
求助,sg3525半桥开关电源调试
图片尺寸1116x555
【文原创】从点到面,开关电源技术漫谈——资源分享 经验(更新完毕)
图片尺寸883x558
半桥式脉冲调宽开关电源原理图-电源电路-维库电子市场网
图片尺寸800x588
基于tl494的半桥式双端式开关电源-电源电路-维库电子市场网
图片尺寸463x373
半桥方式实用开关稳压电源电路
图片尺寸720x463
半桥式脉冲调宽开关电源电路
图片尺寸892x958
半桥方式开关电源电路图
图片尺寸469x266