半桥驱动器

电路输入5-55v3输出a半桥电源驱动器模块提供电流测量和调节功能
图片尺寸640x448
775直流电机驱动 bts7960电机驱动器 大功率智能车驱动 半桥驱动
图片尺寸1134x900
auir3242str汽车单高边半桥栅极驱动器icauir3242strxuma1
图片尺寸480x499
原装adum1234brwz sop16 隔离式精密半桥驱动器0.1a输出 全新正品
图片尺寸900x900
采用小型封装的隔离式半桥栅极驱动器ic在造就高性能方面的卓越能力
图片尺寸600x365
【优信电子】原装正品 ucc27712dr soic-8 620v 半桥驱动器芯片
图片尺寸800x800
实现隔离式半桥栅极驱动器的设计基础
图片尺寸600x415
半导体推出业界首款针对增强型氮化镓功率fet的100v半桥栅极驱动器
图片尺寸1680x1120
elmos推出高性能三相半桥驱动器
图片尺寸494x277
fd2606s半桥栅极驱动器
图片尺寸943x759
实现隔离式半桥栅极驱动器的设计基础
图片尺寸315x270
fd2606s半桥栅极驱动器
图片尺寸888x360
实现隔离式半桥栅极驱动器
图片尺寸600x505
变压器驱动半桥电路结构分析
图片尺寸500x273
texas instruments sm74104 高压半桥栅极驱动器
图片尺寸680x570
隔离式半桥驱动器的功能是驱动上桥臂和下桥臂n沟道mosfet(或igbt)的
图片尺寸600x413
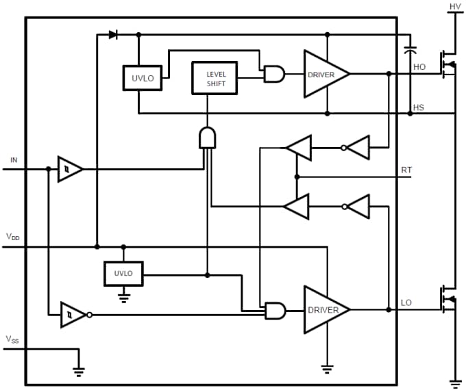
理想的半桥驱动器
图片尺寸494x448
ltc7060带浮地和可编程死区的100v半桥驱动器
图片尺寸520x286
力源芯城 - 60v,1a/2a 峰值半桥驱动器
图片尺寸654x421
ti公司三个高精度半桥驱动器
图片尺寸322x300