单片机排针的用法图解

主板的前面板音频联接排针怎么插
图片尺寸611x297
单片机控制8x8led点阵显示程序_第2页
图片尺寸1858x2629
排针怎么用
图片尺寸640x640
stm32蓝牙单片机小车_第4页
图片尺寸1754x2479
【单片机】msp430f149单片机,晨启,通信聊天,串口收发器
图片尺寸957x549
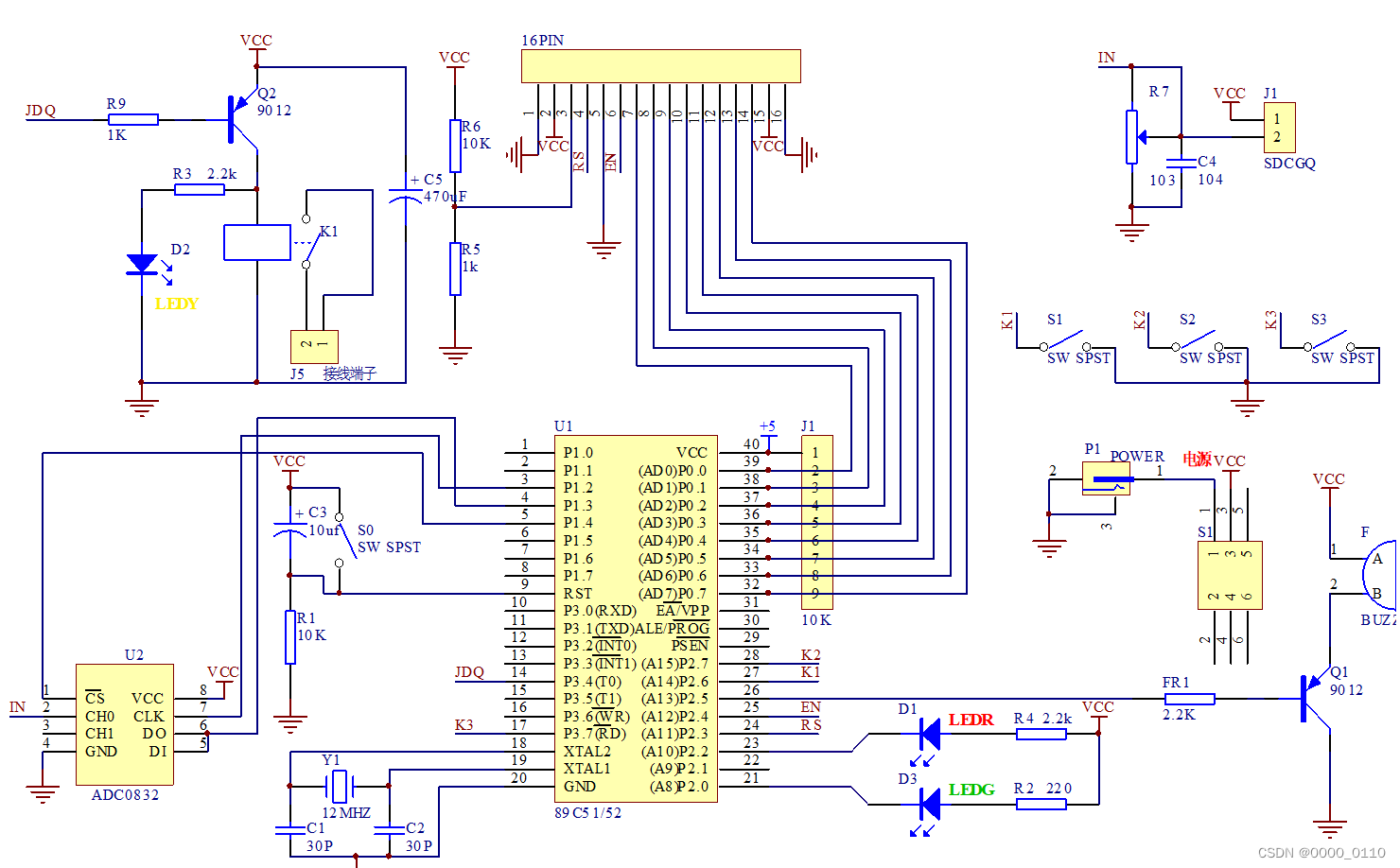
2作用单片机排针的作用是将单片机与其他电路板连接起来,从而实现数据
图片尺寸261x344
单片机adc08328脚ic座40脚ic座1602液晶16p母座16p排针2p排针杜邦线*
图片尺寸1480x918
测试模块的uart串口通信和通过单片机的uart接口给单片机等下载程序
图片尺寸750x810
年前回来有多喜悦,年后回去就有多不舍!
图片尺寸1080x1988
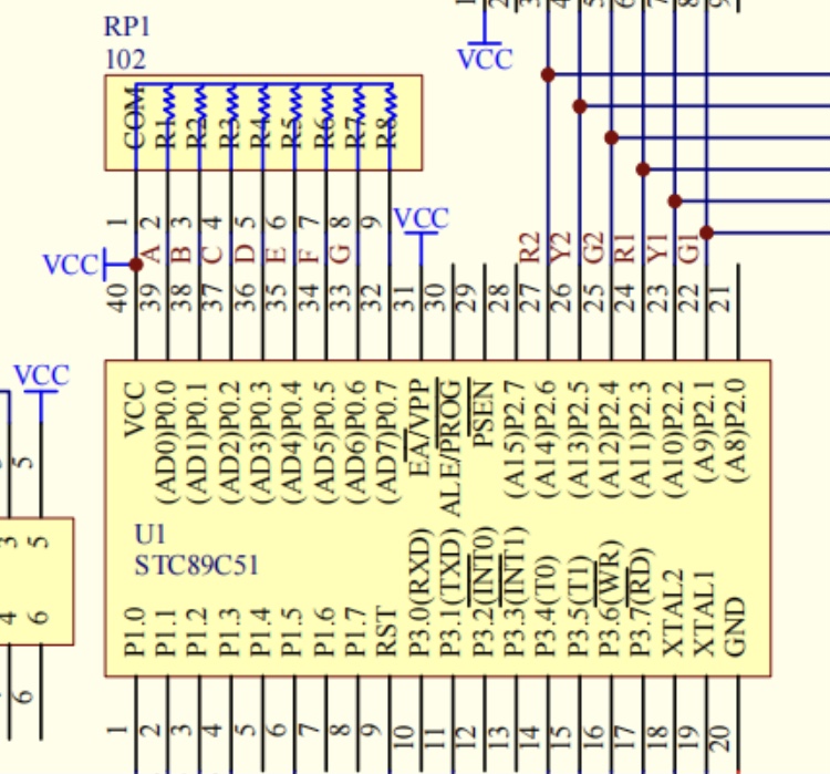
关于c51单片机的问题我将p0用排线接到led的排针上(led并连且另一端为
图片尺寸722x458
接下来焊接单片机的心脏(晶振)晶振接在单片机的18,19引脚,在外加两
图片尺寸750x699
三,测试最小系统--方便查阅而已1,如上图,左边的4根排针2,如上图,右边
图片尺寸852x483
【元件库】——>【排针】,单片机左右各一个为
图片尺寸2560x1262
【单片机】esp32最小系统板项目
图片尺寸894x579
单片机万年历中的问题(附图)
图片尺寸926x573
通过一个st-link下载器就可以将程序烧录到单片机这里通过四根排针
图片尺寸1003x853
我用我当初学51单片机时的烧录器就可以烧录)排针以及烧录工具我买的
图片尺寸1513x807
只需要把txd,rxd,vcc和gnd通过排针引出来即可排针:排针是单片机开发
图片尺寸731x500
stm32f103c8t6单片机开发板 小板c6t6核心板 arm实验板ch32 stm32f103
图片尺寸1266x1266
arduino和51单片机哪个好学?
图片尺寸667x571