单相熔断器接线图片

电工基本常识电工常见电路接线大全电工常用符号电工口诀全文
图片尺寸670x502
接线方法如图所示.熔座是熔断器的底座,作用是固定熔管和外接引线.
图片尺寸393x276
熔断器接线
图片尺寸679x335
实际生活中单相交流电路,严重过载时,为什么总是零线上的熔断器先断
图片尺寸776x536
带2档风速的单相电机接错线了,线路如图,l 上接了保险丝.
图片尺寸590x397
零变器
图片尺寸1488x1168
6r型电压互感器为户外单相硅橡胶复合绝缘结构,内置熔断器,适用于额定
图片尺寸1000x1000
变压器稳压器调压器不锈钢配电箱真空断路器熔断器
图片尺寸556x566
单相有功电能表顺入式接线图
图片尺寸450x197
点接地系统的优缺点:(1)优点:对电源中性点接地系统,若发生某单相接地
图片尺寸1020x946
vv接线的pt中二次接地那一相需要加熔断器吗
图片尺寸640x561
电源闸刀开关pa单相v带保险丝单投负荷开启式刀闸 2p 16a
图片尺寸800x800
正品abb熔断器2p保险管座1p单相导轨e91 e92/32 电流1a~32a熔芯选
图片尺寸631x640
唔哩家用单相220v闸刀电源隔离带保险丝熔断闸开关单投铜件2p16a
图片尺寸800x800
2*63a闸刀扎220v大功率断电开关保护器家用带保险丝老式单相两好
图片尺寸1000x1000
单相电子电表怎么接线
图片尺寸594x355
是电路图 (1),电路组成: ①,主电路,qs1,1号电源隔离开关,fu1,熔断器
图片尺寸640x629
欧姆龙abb熔断器2p保险管座1p单相导轨e91 e92/32 电流1a~32a熔芯选
图片尺寸800x800
2,建议在浪涌保护器前端串联熔断器;3,根据浪涌保护器的接线图接线
图片尺寸468x307
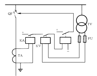
画出低电压闭锁电流速断保护单相原理接线图. - 一考通
图片尺寸312x246