单端转差分电路

差分转单端电路
图片尺寸729x345
单端/差分转化电路
图片尺寸509x531
单端转差分电路图.png
图片尺寸1286x487
有没有音频单端转为差分信号的电路,求推荐
图片尺寸1137x1049
单端/差分转化电路
图片尺寸828x569
差分信号经运放后转为单端输出供单片机采集原理图_差分转单端电路
图片尺寸1045x731
sgm8632单端输入差分输出麦克风消噪电路.jpg
图片尺寸622x569
差分运算原理电路图
图片尺寸1000x982
一种开关电容型单端转差分电路
图片尺寸1664x1312
将大多数信号链中的单端信号转换为差分信号分析
图片尺寸883x484
技术论坛 模拟与混合信号 放大器 求推荐单端转差分电路 各位大神,求
图片尺寸676x372
单端转差分输入电路
图片尺寸415x342
差分放大电路
图片尺寸2250x1488
差分放大电路单端输出相关问题
图片尺寸2448x2448
一种单端输入转差分输出电路的制作方法
图片尺寸1000x990
ad7982差分转换单端信号电路设计
图片尺寸573x454
adi带可调输出共模的多功能精细单端转差分电路提高体系动态规模
图片尺寸1098x692
一种差分信号转单端信号电路
图片尺寸1000x403
单端转差分电路
图片尺寸1685x1168
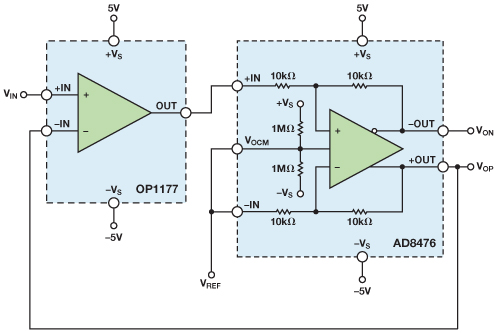
对于很多应用,图1中的电路已足以用于执行单端转差分的转换.
图片尺寸498x333