卡套螺母规格型号表

nlns卡套螺母
图片尺寸800x992
q 801 卡套式管接头用螺母 bite type tube fittings--nuts
图片尺寸448x600
供应优质不锈钢304 316l碳钢卡套螺母 卡帽锰钢卡式螺帽标准件厂
图片尺寸481x697
24度锥螺母 钢管卡套螺母 轻型 重型 nl/ns 系列
图片尺寸668x757
不锈钢非标件转换接头波纹管接头螺母螺帽卡套接头毛坯卡套螺帽
图片尺寸1079x1475
螺母规格表
图片尺寸1048x1361
伊顿永华din卡套式管接头 卡套螺母 retaining nuts nl ns
图片尺寸800x983
nl / ns 卡套螺母图片_1
图片尺寸570x710
螺母规格选型图
图片尺寸616x532
304不锈钢卡套螺母卡套式螺母/卡套接头螺母螺帽4㎜
图片尺寸686x698
螺母镀银卡套螺母
图片尺寸762x424
活螺母液压卡套接头 parke液压 可调向接头 din2353标准 产品规格太多
图片尺寸1357x1920
gb3760-83卡套式管接头用对接螺母 .pdf
图片尺寸800x1131
厂家生产 国标螺母 定做加长 接头 细扣 反牙 镀锌 英制美制螺帽
图片尺寸790x950
x-tec fc系列卡套内牙直通,不锈钢316,英制,xy-ss
图片尺寸790x819
不锈钢304金属自锁螺母 din980全金属锁紧螺帽
图片尺寸790x1168
伊顿永华标准液压接头轻型重型公制卡套式螺母螺帽锁母ns
图片尺寸750x830
螺母规格表
图片尺寸813x389
卡式螺母资料合集 卡式螺母型号对照表
图片尺寸651x339
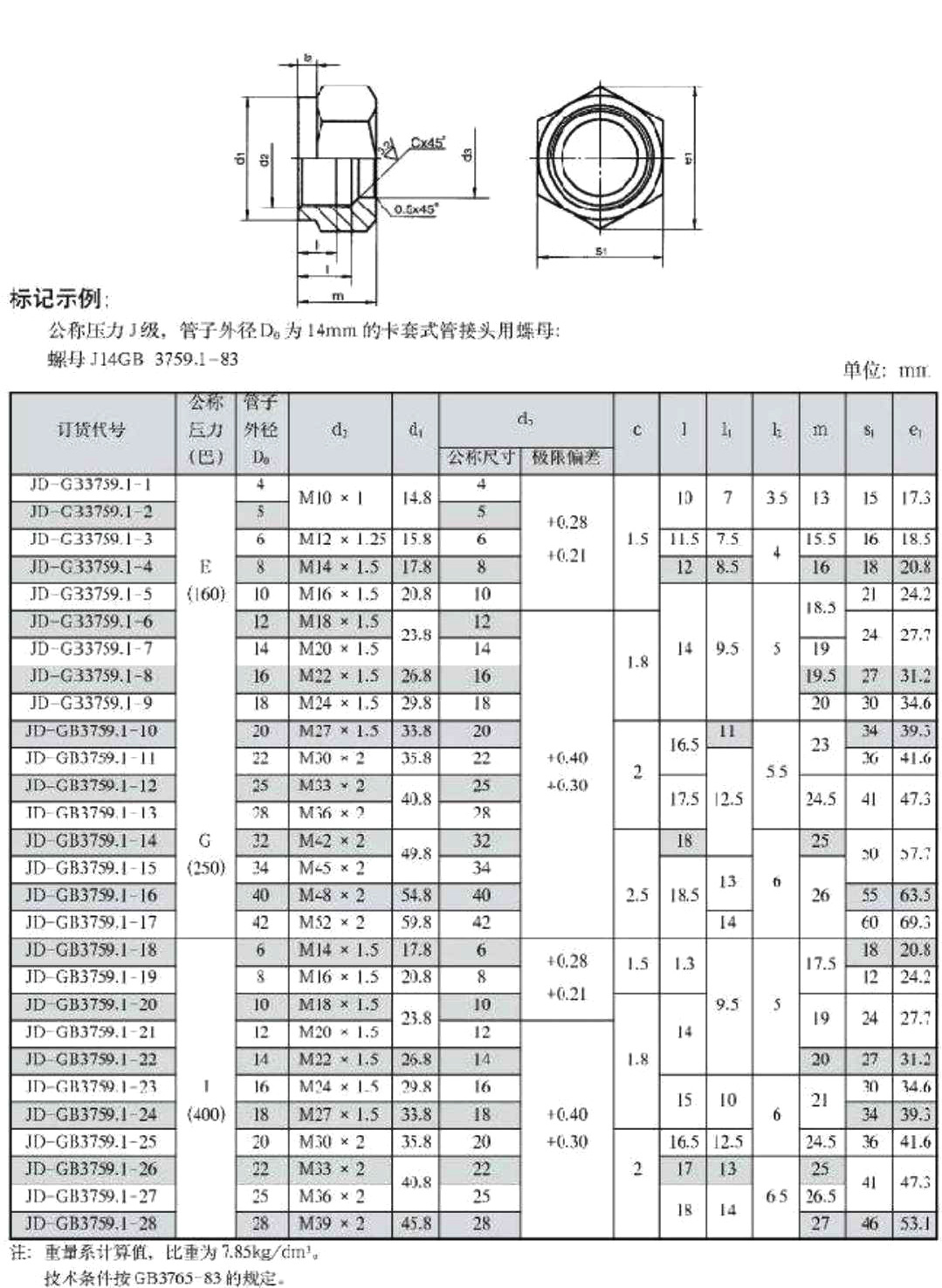
卡套式管接头用螺母(gb3759-83)
图片尺寸741x665