压力表接头型号大全

5cb 5db液压接头卡套接头 不锈钢英管内螺纹压力表油管接头
图片尺寸750x1288
w-gai-l35g11/4,w-gai-s20g3/4,w-gai-s30g11/4,直通压力表焊接式接头
图片尺寸677x851
液压胶管接头 美制unf螺纹74度锥密封 高压油管扣压式接头 26711
图片尺寸790x1638
2c碳钢内外丝直通液压接头高压油管24度锥活螺母转换接头
图片尺寸790x1313
以下是测压接头详细规格和简介,亲可以根据这个选型,也可以直接找客服
图片尺寸750x5000
304不锈钢d型头对丝球面接头公英美制对丝转换外丝液压高压接头
图片尺寸750x1297
专业培训 快速接头样本 液压系统常见故障 液压管接头标准 压力表选型
图片尺寸1700x2148
304不锈钢压力表接头 英制变英制 变径 内外丝转换接头 异径定制
图片尺寸800x800
jsm锁母式直通压力表管接头黄铜快拧 内丝 zg g m npt 6*4 8*6.
图片尺寸650x926
黄铜水表接头水泵接头 异径活接头内外丝活接双内丝活接
图片尺寸750x1161
13011液压胶管扣压接头英制外螺纹碳钢油管接头宝塔高压软管接头
图片尺寸790x1195
伊顿液压接头样本
图片尺寸746x474
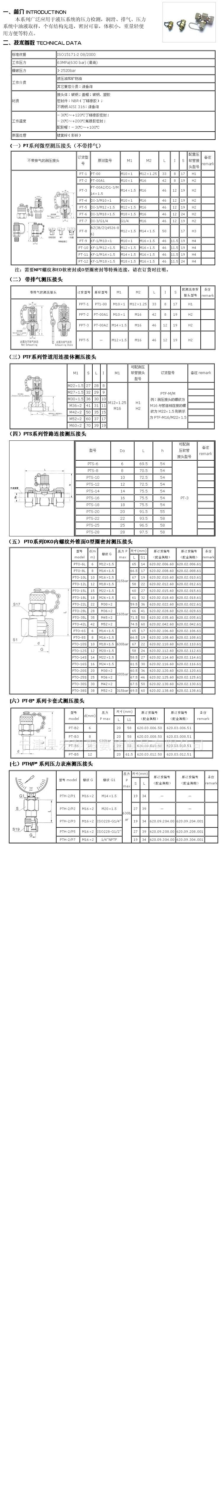
厂家供应 液压附件液压附件 pt微型高压测压接头
图片尺寸1416x1920
支持定制 压力表厂家供应 y63轴向耐震压力表 充油表 抗震压力表
图片尺寸800x942
订做bgj/防爆管接头/铜油管接头/304不锈钢/液压管接头
图片尺寸993x813
厂家特价直销优质永华伊顿过渡液压接头_液压接头_列表网
图片尺寸691x478
古北/液压/气压/真空/耐震/轴向带夹/普通压力表
图片尺寸1413x1568
优质供应不锈钢液压接头 内螺纹卡套 仪器仪表卡套接头 品质保证
图片尺寸634x533
y60zt轴向压力表0-1.6mpa带边气动面板式普通气压表真空表负压表
图片尺寸790x908
tw114型压力表虹吸管参数_副本.jpg
图片尺寸994x765