双向可控硅调压电路图

如何用双向可控硅调压获得85-125交流电压
图片尺寸290x257
采用阻容移相触发电路控制的双向可控硅交流调压器电路–电路图–电子
图片尺寸1585x669
图2-25 典型双向晶闸管调速电路
图片尺寸594x311
220v双向可控硅电路图大全及元件作用
图片尺寸678x332
双向可控硅调压电路,原理谁懂,帮小弟一下,小弟有个问题,纠结了很久了
图片尺寸500x365
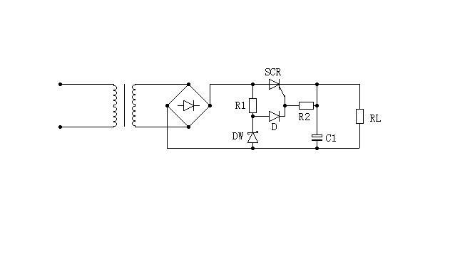
双向可控硅交流稳压器电路
图片尺寸1101x617
双向可控硅交流稳压器电路图
图片尺寸787x426
触发双向可控硅调压电路
图片尺寸800x578
双向可控硅bcr6am调光电路
图片尺寸713x813
双向可控硅调光器电路图
图片尺寸531x336
1200w双向可控硅调压发热很大的问题
图片尺寸1079x494
双向可控硅半波调压电路输出不稳
图片尺寸1196x654
大功率可控硅调压调光调速调温电路,电工电子实践,简单实用可靠
图片尺寸516x292
用5伏信号怎样控制双向可控硅的通断,以实现对一个交流220伏,30瓦灯泡
图片尺寸485x337
双向可控硅用法?如下图
图片尺寸522x376
简单的双向可控硅调光灯电路
图片尺寸351x245
stm32双向可控硅调压程序可控硅整流电路
图片尺寸631x357
过零触发双向可控硅调压电路图
图片尺寸700x525
stm32双向可控硅调压程序可控硅整流电路
图片尺寸632x510
下面分析双向可控硅的一个应用电路
图片尺寸1010x704