双层双向板钢筋图解

设备基础侧面双层双向钢筋如何布置
图片尺寸865x657
展开全部 朋友您好! 双层双向总共是两层钢筋网.
图片尺寸396x220
双层双向钢筋怎么计算
图片尺寸1396x800
板双向双层布筋
图片尺寸1198x903
双层双向板钢筋,除计算马凳筋以外,还需要计算拉筋吗?
图片尺寸382x351
筏板钢筋双向双层多排钢筋应该怎么布置
图片尺寸2000x1500
筏板双排双层钢筋
图片尺寸863x511
承台钢筋双层双向怎么定义啊
图片尺寸478x278
130现浇板双层双向钢筋改成60叠合板70现浇板钢筋怎么配
图片尺寸800x818
楼板双层双向,支座负筋构造
图片尺寸575x274
圆形水池底板钢筋12@200双层双向钢筋怎么计算
图片尺寸490x398
高层中正负零处双层双向板,底板钢筋100%在支座处断开行吗?
图片尺寸1247x463
在筏板钢筋中除了双层双向筋,还有板顶(通长)板底(局部)附加筋,应该
图片尺寸644x605
双层双向钢筋的图示
图片尺寸1008x492
每块板都有负筋是不是说都不需要双层双向只需要双向就行了呢
图片尺寸925x445
关于双层双向布置钢筋的问题
图片尺寸950x850
请问这个图纸上的钢筋是不是表示面筋是双层双向的
图片尺寸733x630
双层双向
图片尺寸1318x686
现浇板配筋都是双层双向
图片尺寸1134x526
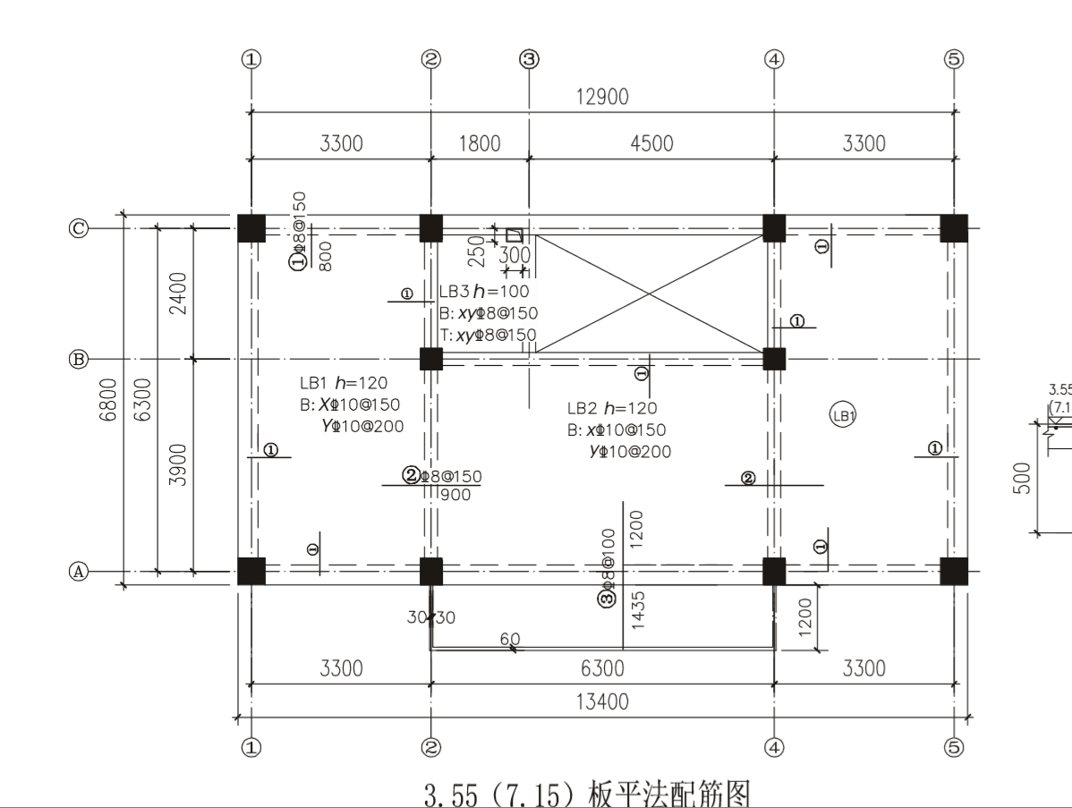
说明里说除特别注明外板配筋为双层双向图纸上有xy方向的底筋加x方向
图片尺寸1576x560