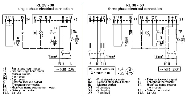
双段火燃烧机接线图

百得燃烧器培训资料_百得燃烧器部分.ppt
图片尺寸1080x810
利雅路gulliver系列燃气燃烧器带报警复位按钮,led灯显示自带点火功能
图片尺寸407x646
连城
图片尺寸640x1360
检修燃烧系统 5e 过热保护报警 过热保护信号断开 等待复位 接线端
图片尺寸814x398
双回路电源什么意思
图片尺寸640x471
燃烧器 利雅路riello两段火轻油燃烧器rl130 燃烧.
图片尺寸606x320![riello强制通风燃气燃烧器gs5 使用及维护说明书:[1]](https://imgs.wantubizhi.com/img/735A5D1F980B52A636CC46F12F2D1A7332287BF6ABC086BCFAF567C3234A9F2B1F9E168F7213C32BA33C1643639D146C5982051E776166DC5DD70683045709D2A35ADEA4CDDCCA9BE775FBED01C662639603DB705B3B4D8E7A8DB325C11EC215)
riello强制通风燃气燃烧器gs5 使用及维护说明书:[1]
图片尺寸2381x3368
rl34/rl44/rl50/rl64 双段火柴油燃烧器(燃烧机) 品牌:riello
图片尺寸1634x1920
rhobinln的美篇
图片尺寸1791x907
非专业电工
图片尺寸1080x1920
煤气炉燃气灶炉具灶具1.5v热电偶型双炉脉冲点火器 熄火保护
图片尺寸750x609
帮忙看下这个电路图,是锅炉燃烧机控制图,刚学,帮帮忙指点下怎么接线
图片尺寸1600x1200
gas p/m系列燃气燃烧器 意大利(riello)
图片尺寸1166x697
美篇
图片尺寸800x800
燃烧机rs3-44接线图
图片尺寸783x403
美篇
图片尺寸720x679
双显示基本型电伴热控制箱接线图
图片尺寸568x208
燃烧机控制器电路图
图片尺寸292x300
rkq—2燃烧控制器电路及接线图
图片尺寸539x393![riello强制通风燃气燃烧器gs3 使用及维护说明书:[1]](https://imgs.wantubizhi.com/img/ADDA3C5D760C6828B77B505A29D43E832A0C481745084CBA319418D8C86A8BFB82D293D25B7F6A5F48C7B3F15B8B2FD6A6549B59A86ACD8D9313D49B040543CE15925EDFA239513C6A54713436428199C3A7BB32D1B78265232E03C9EBCC3FD5)
riello强制通风燃气燃烧器gs3 使用及维护说明书:[1]
图片尺寸2381x3368