双绕组电机内部接线图

主题:双速电机绕组接线方式展开图!请教
图片尺寸480x463
4/6级36槽双速电机绕组嵌线方法
图片尺寸1280x960
这是你要的单相双值电动机内部接线的两种接线图,希望对你有帮助
图片尺寸681x542
双速异步电动机定子绕组的连接
图片尺寸920x690
双绕组异步电机24槽4/2极
图片尺寸680x510
和星型的,就6跟线,高低速各三条线控制,请问这是什么接法电机如何绕制
图片尺寸736x552
220v双电容电机接线图而副绕组与电容器串联后再与主
图片尺寸600x491
哪位师傅有八四级48槽双速电动机绕组接线图?急求!
图片尺寸816x459
36槽6极2路双层绕阻力矩电机接线图
图片尺寸1458x1093
你有24槽6/4极△/2y(y=4)双速绕组布线接线图吗
图片尺寸949x583
54槽6极双层电机绕组接线图
图片尺寸557x563
54槽6极双层电机绕组接线图
图片尺寸600x450
由于双速电动机定子绕组的接线原因,换极的同时应改变电源的相序.
图片尺寸515x354
如何看电动机双层绕组接线图
图片尺寸434x435
单相电机双电容怎么接?知道的帮下忙,有接线柱的图片最好,电机是2.
图片尺寸418x249
双绕组异步电机24槽4/2极
图片尺寸450x300
132kw4极72槽双层四支路电机绕组接线图
图片尺寸296x296
220v双电容电机接线图而副绕组与电容器串联后再与主
图片尺寸350x203
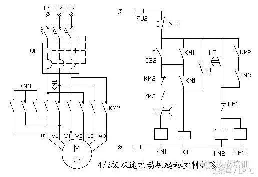
36槽双速电机接线图
图片尺寸1280x960
双速电机的接线方式
图片尺寸567x556