反应釜抽真空流程图

并联式真空回潮机的抽真空系统
图片尺寸1916x1063
30005000吨年一体化涂料生产线乳胶漆生产设备涂料成套设备
图片尺寸700x419
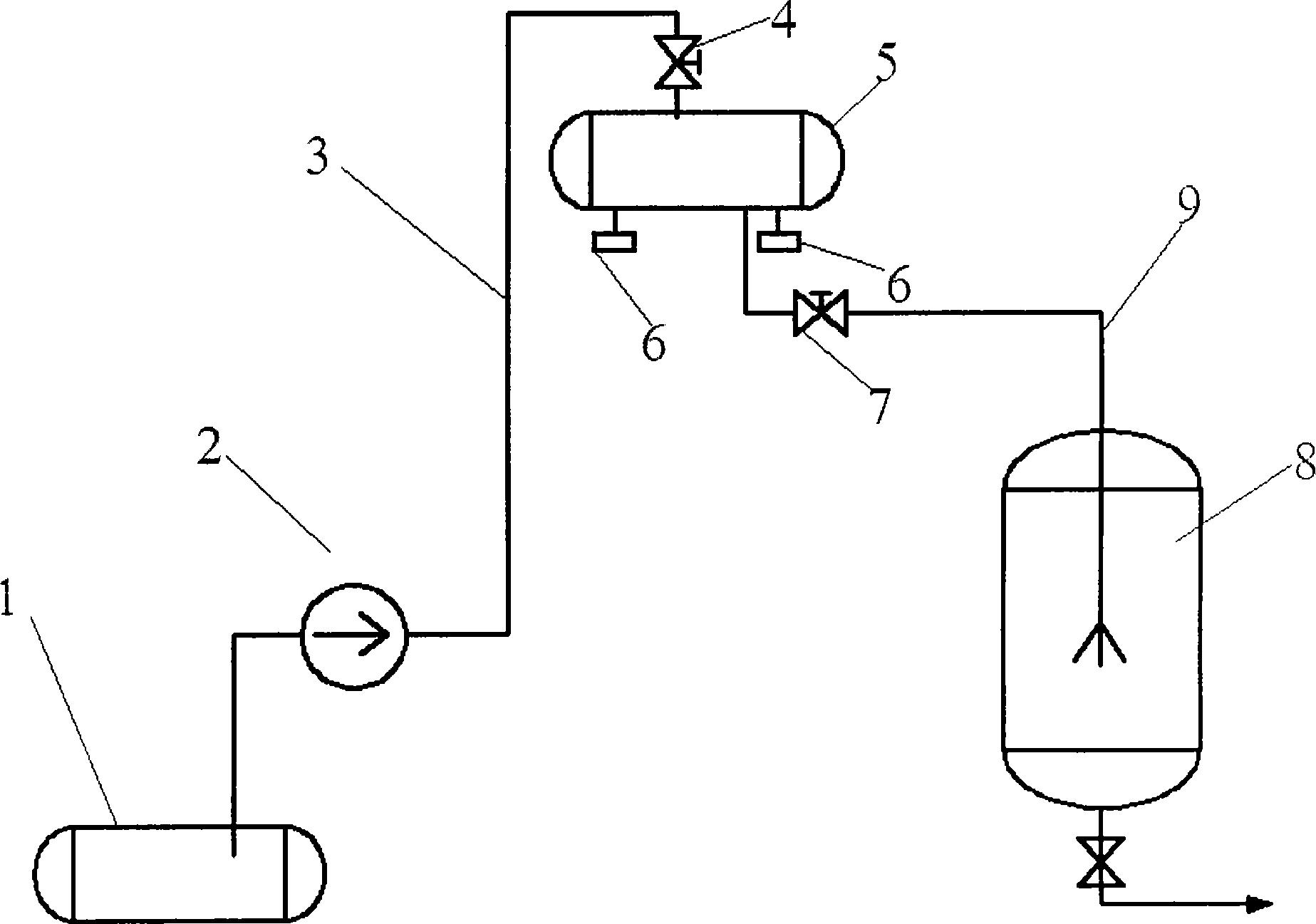
一种真空反应釜的抽真空系统的制作方法
图片尺寸1000x552
多级蒸汽喷射式抽真空系统及其调节方法与流程
图片尺寸1000x483
怎么用cad画反应釜流程图最好是下附图可加分
图片尺寸800x505
减压塔顶抽真空系统工艺流程
图片尺寸476x359
反应釜实训装置工艺流程图
图片尺寸1200x800
真空热处理
图片尺寸740x450
可以启动真空系统对熔炼室进行抽空处理,真空系统的具体操作流程如图3
图片尺寸479x636
无锡不饱和聚酯树脂设备
图片尺寸443x346
真空泵工作流程图
图片尺寸541x275
程 技 术 图1 工艺流程图 表1 主要设备的名称,规格及数量 1反应釜5
图片尺寸606x492
presen ste "电改汽"回热抽真空系统
图片尺寸532x351
一种采用电磁驱动反应釜的化工机械系统的制作方法
图片尺寸1000x789
酚醛树脂反应釜 不饱和聚酯树脂反应釜
图片尺寸600x706
丙烯晴合成反应釜及工艺流程图图纸下载_反应压力容器图纸 - 沐风网
图片尺寸820x565
包括地下储罐,上料泵,高位槽和反应釜,地下储罐与高位槽之间设有第一
图片尺寸1847x1297
树脂反应釜
图片尺寸804x595
年产500吨2,4-二甲酚重氮化反应釜设
图片尺寸785x579
一种间苯二胺减压精馏塔的抽真空工艺系统的制作方法
图片尺寸1000x477