变频器启停按钮接线图

按钮控制变频器启停的接线方法-变频器学习-工控课堂
图片尺寸802x575
650s系列变频器标准接线图.jpg
图片尺寸1200x1446
变频器的停止按钮按下时,电机反而不受控制加速运行是什么原因?
图片尺寸620x465
变频器接线图
图片尺寸897x1230
变频器按钮启动通用接法
图片尺寸641x625
变频器启停该如何接线需要几个开关
图片尺寸720x463
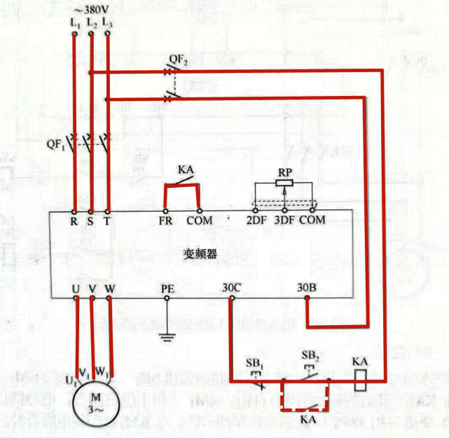
变频器启停的接线方法
图片尺寸694x427
如图所示为变频器的多段速实物接线图,其中m0变频器的正转启停控制
图片尺寸530x388
变频器的基本接线图见图10-7.
图片尺寸2466x3691
变频器接线端子说明图
图片尺寸867x468
变频器控制电动机正反转 - 变频器_软启动器_电工学习网
图片尺寸1168x1230
单按钮启停电路图
图片尺寸720x540
变频器控制接线图
图片尺寸580x638
变频器启动和停止的接线方式
图片尺寸640x480
按钮控制变频器启停的接线方法-变频器学习-工控课堂
图片尺寸739x534
雕刻机变频器接线图
图片尺寸750x1006
电动机连续运行,停止 a qs fu b c 停车 sb1 按钮 起动 按钮 km sb2
图片尺寸1080x810
深圳sinee正弦em630起重专用变频器接线图
图片尺寸950x972
主页 产品中心 变频器 通用型(jt330n) 一,接线图 11kw及以上功率段
图片尺寸1232x1451
1.主电路接线端 三菱fr-e500变频器主电路的接线端如图所示.
图片尺寸640x575