台达plc电源板电路图

求助一个台达dps-250gb-5a电源故障
图片尺寸1114x1036
台达电源的图纸好料
图片尺寸1926x1345
台达图纸.gif
图片尺寸1926x1345
无忧文档 所有分类 工程科技 电子/电路 台达dps-250gb-4b atx电源
图片尺寸1800x1295
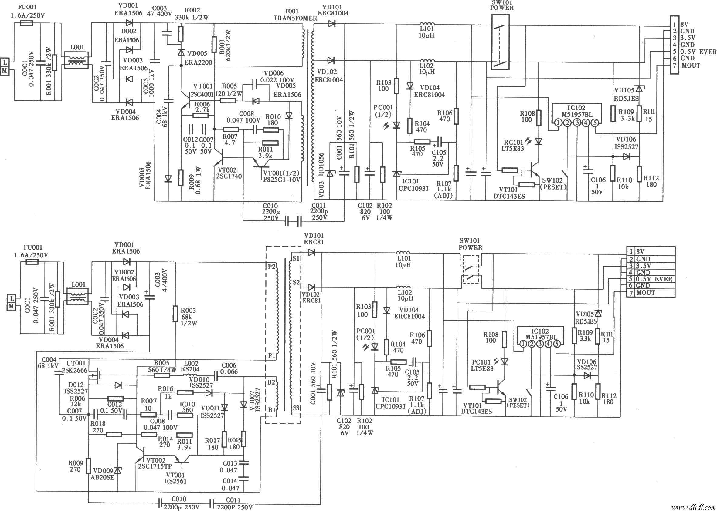
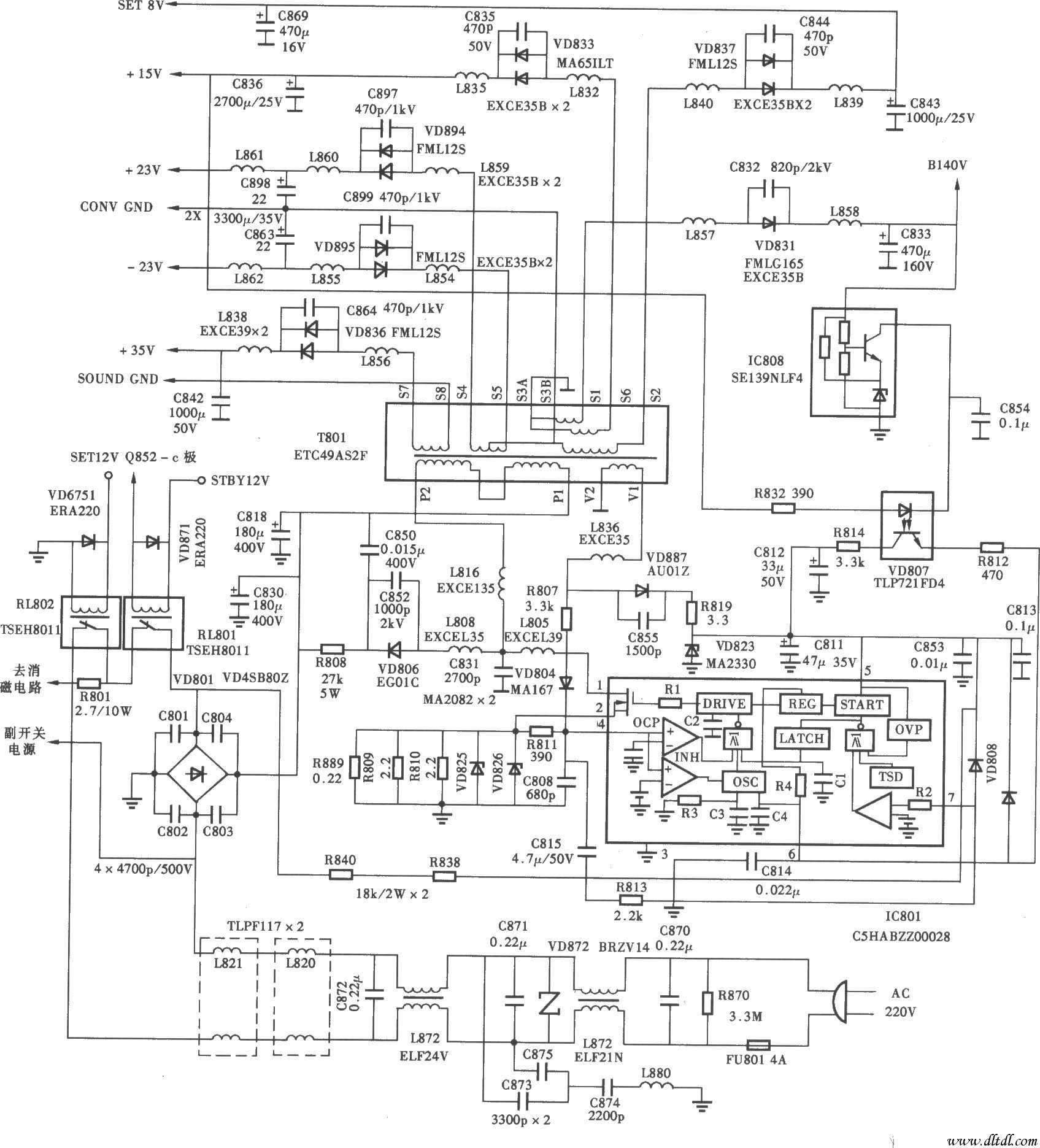
分析及检修用于液晶彩电的台达电源电路(上)
图片尺寸3460x2466
台达vfd-m开关电源图
图片尺寸1207x762
当前第1页) 你可能喜欢 分压电路 led电路图 plc5 电脑电源电路图 的
图片尺寸2729x1878
cr6890acr301265w电源适配器方案
图片尺寸744x360
xc5plc接线电路图
图片尺寸2339x1653
免费文档 所有分类 工程科技 电子/电路 四轴机械手,plc,sv2主机电气
图片尺寸1188x918
电源电路
图片尺寸1695x1871
分析及检修用于液晶彩电的台达电源电路(下)
图片尺寸2077x1829
s7-200plc电源电路图0
图片尺寸1188x918
plc(fx2-48mr)开关电源电路原理与故障分析
图片尺寸1454x2036
电源电路图合集
图片尺寸1332x832
电源电路
图片尺寸2362x1685
pc机台式机开关电源电路原理附原理图
图片尺寸920x1302
所有分类 工程科技 电子/电路 > 台达dac-12m028 a-adp-sch 开关电源
图片尺寸1188x918
台达dps-250gb电路图(uc3843b dna1002d)
图片尺寸1504x1051
plc的外部接线图-通信电源电路图-电子产品世界
图片尺寸756x501