吊篮电路图原理

吊篮控制电路
图片尺寸1000x819
多吊点吊篮控制电路
图片尺寸2096x1544
电动吊篮配电箱接线图
图片尺寸851x572
电动吊篮控制器
图片尺寸966x540
电葫芦吊机电路图
图片尺寸720x540
小型电动吊车控制电路原理与维修
图片尺寸763x462
交流接触器控制简易升降货篮电路图(四层)
图片尺寸450x440
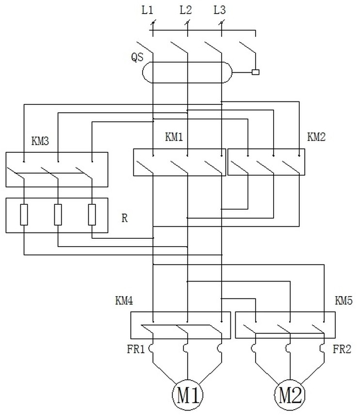
一种建筑施工电动吊篮安全减速保护系统的制作方法
图片尺寸738x855
桥式起重机起升机构磁力控制屏电控制电路
图片尺寸861x1247
2010-06-23 双重联锁电动机正反转控制电路的工作原理 29 2011-02288
图片尺寸736x552
cn103332547a_一种高处作业吊篮安全检测自动控制系统失效
图片尺寸1000x822
求煤矿澡堂电动吊篮电路图
图片尺寸500x375
产品中心 - 电动吊篮/建筑吊篮/高空作业吊篮/无锡华科机械设备有限
图片尺寸702x485
电动吊篮整流块接线图
图片尺寸697x473
一种建筑吊篮电箱及控制电路板的制作方法
图片尺寸750x1000
电动吊篮整流块测量方法
图片尺寸501x493
行吊的控制电路
图片尺寸339x298
电工实操考核中,最经典的7张电路图(高清收藏版)
图片尺寸1399x1124
吊篮控制箱接线原理图
图片尺寸800x254
cn212050420u_一种建筑施工电动吊篮安全减速保护系统有效
图片尺寸738x855